LEMON Manuals: Even more car manuals for everyone: 1960-2025
Home >> Lexus >> 2013 >> CT 200h Base >> Repair and Diagnosis (Single Page) >> Electrical >> Body Electrical >> OEM System Circuits >> Audio System (w/o LEXUS Navigation System w/o Stereo Component Amplifier) >> Notes
April 5, 2026: LEMON Manuals is launched! Read the announcement.

Audio System (w/o LEXUS Navigation System w/o Stereo Component Amplifier): Notes

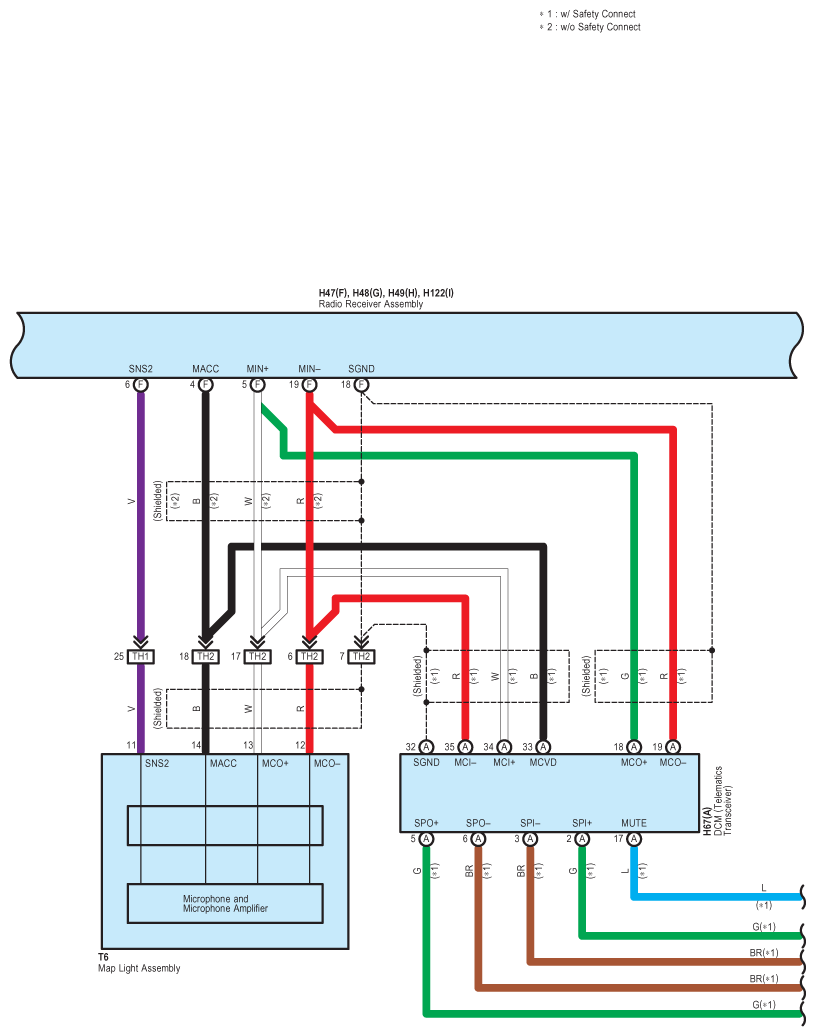
Fig 1: Audio W/O LEXUS Navigation W/O Stereo Component Amplifier System Wiring Diagram (1 Of 5)
G09113817Courtesy of © TOYOTA, LICENSE AGREEMENT TMS1002
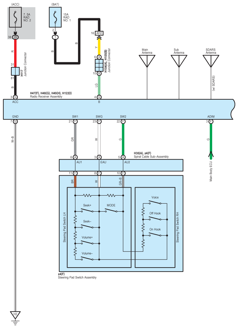
Fig 2: Audio W/O LEXUS Navigation W/O Stereo Component Amplifier System Wiring Diagram (2 Of 5)
G09113818Courtesy of © TOYOTA, LICENSE AGREEMENT TMS1002
Fig 3: Audio W/O LEXUS Navigation W/O Stereo Component Amplifier System Wiring Diagram (3 Of 5)
G09113819Courtesy of © TOYOTA, LICENSE AGREEMENT TMS1002
Fig 4: Audio W/O LEXUS Navigation W/O Stereo Component Amplifier System Wiring Diagram (4 Of 5)
G09113820Courtesy of © TOYOTA, LICENSE AGREEMENT TMS1002
Fig 5: Audio W/O LEXUS Navigation W/O Stereo Component Amplifier System Wiring Diagram (5 Of 5)
G09113821Courtesy of © TOYOTA, LICENSE AGREEMENT TMS1002