LEMON Manuals: Even more car manuals for everyone: 1960-2025
Home >> Lexus >> 2013 >> ES 300h >> Repair and Diagnosis (Single Page) >> Electrical >> Motors, Switches, Relays >> OEM System Circuits >> Audio System (w/LEXUS Navigation System), LEXUS Navigation System and Parking Assist (Back Guide Monitor or Rear View Monitor w/LEXUS Navigation System) >> Notes
April 5, 2026: LEMON Manuals is launched! Read the announcement.

Audio System (w/LEXUS Navigation System), LEXUS Navigation System and Parking Assist (Back Guide Monitor or Rear View Monitor w/LEXUS Navigation System): Notes

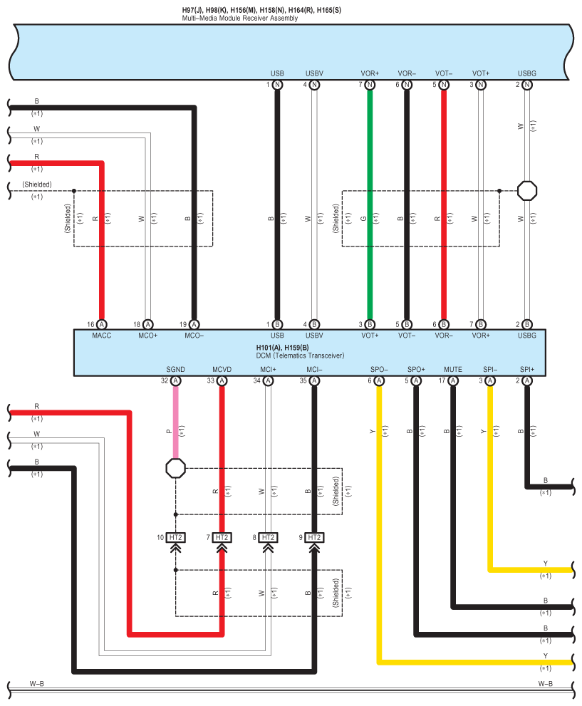
Fig 1: Audio System (W/ Lexus Navigation System), Lexus Navigation System And Parking Assist (Back Guide Monitor Or Rear View Monitor W/ Lexus Navigation System) - Circuit Diagram (1 Of 11)
G08953857Courtesy of © TOYOTA, LICENSE AGREEMENT TMS1002
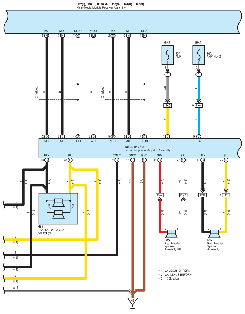
Fig 2: Audio System (W/ Lexus Navigation System), Lexus Navigation System And Parking Assist (Back Guide Monitor Or Rear View Monitor W/ Lexus Navigation System) - Circuit Diagram (2 Of 11)
G08953858Courtesy of © TOYOTA, LICENSE AGREEMENT TMS1002
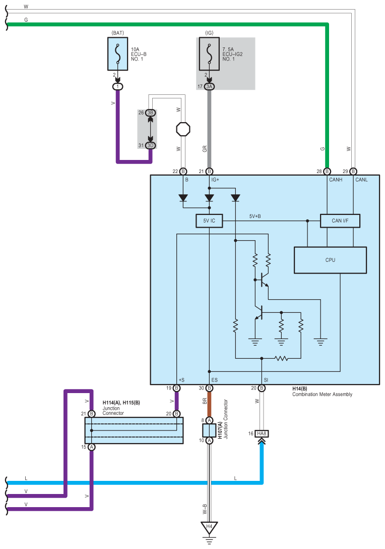
Fig 3: Audio System (W/ Lexus Navigation System), Lexus Navigation System And Parking Assist (Back Guide Monitor Or Rear View Monitor W/ Lexus Navigation System) - Circuit Diagram (3 Of 11)
G08953859Courtesy of © TOYOTA, LICENSE AGREEMENT TMS1002
Fig 4: Audio System (W/ Lexus Navigation System), Lexus Navigation System And Parking Assist (Back Guide Monitor Or Rear View Monitor W/ Lexus Navigation System) - Circuit Diagram (4 Of 11)
G08953860Courtesy of © TOYOTA, LICENSE AGREEMENT TMS1002
Fig 5: Audio System (W/ Lexus Navigation System), Lexus Navigation System And Parking Assist (Back Guide Monitor Or Rear View Monitor W/ Lexus Navigation System) - Circuit Diagram (5 Of 11)
G08953861Courtesy of © TOYOTA, LICENSE AGREEMENT TMS1002
Fig 6: Audio System (W/ Lexus Navigation System), Lexus Navigation System And Parking Assist (Back Guide Monitor Or Rear View Monitor W/ Lexus Navigation System) - Circuit Diagram (6 Of 11)
G08953862Courtesy of © TOYOTA, LICENSE AGREEMENT TMS1002
Fig 7: Audio System (W/ Lexus Navigation System), Lexus Navigation System And Parking Assist (Back Guide Monitor Or Rear View Monitor W/ Lexus Navigation System) - Circuit Diagram (7 Of 11)
G08953863Courtesy of © TOYOTA, LICENSE AGREEMENT TMS1002
Fig 8: Audio System (W/ Lexus Navigation System), Lexus Navigation System And Parking Assist (Back Guide Monitor Or Rear View Monitor W/ Lexus Navigation System) - Circuit Diagram (8 Of 11)
G08953864Courtesy of © TOYOTA, LICENSE AGREEMENT TMS1002
Fig 9: Audio System (W/ Lexus Navigation System), Lexus Navigation System And Parking Assist (Back Guide Monitor Or Rear View Monitor W/ Lexus Navigation System) - Circuit Diagram (9 Of 11)
G08953865Courtesy of © TOYOTA, LICENSE AGREEMENT TMS1002
Fig 10: Audio System (W/ Lexus Navigation System), Lexus Navigation System And Parking Assist (Back Guide Monitor Or Rear View Monitor W/ Lexus Navigation System) - Circuit Diagram (10 Of 11)
G08953866Courtesy of © TOYOTA, LICENSE AGREEMENT TMS1002
Fig 11: Audio System (W/ Lexus Navigation System), Lexus Navigation System And Parking Assist (Back Guide Monitor Or Rear View Monitor W/ Lexus Navigation System) - Circuit Diagram (11 Of 11)
G08953867Courtesy of © TOYOTA, LICENSE AGREEMENT TMS1002