LEMON Manuals: Even more car manuals for everyone: 1960-2025
Home >> Lexus >> 2013 >> ES 350 >> Repair and Diagnosis (Single Page) >> Electrical >> Motors, Switches, Relays >> OEM System Circuits >> Audio System (w/o LEXUS Navigation System w/Multi-Media Module Receiver Assembly) and Parking Assist (Rear View Monitor) (w/o LEXUS Navigation System) >> Notes
April 5, 2026: LEMON Manuals is launched! Read the announcement.

Audio System (w/o LEXUS Navigation System w/Multi-Media Module Receiver Assembly) and Parking Assist (Rear View Monitor) (w/o LEXUS Navigation System): Notes

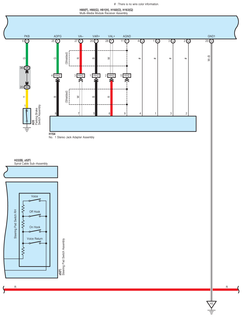
Fig 1: Audio System (W/O Lexus Navigation System W/Multi-Media Module Receiver Assembly) And Parking Assist (Rear View Monitor) (W/O Lexus Navigation System) - Circuit Diagram (1 Of 9)
G08948373Courtesy of © TOYOTA, LICENSE AGREEMENT TMS1002
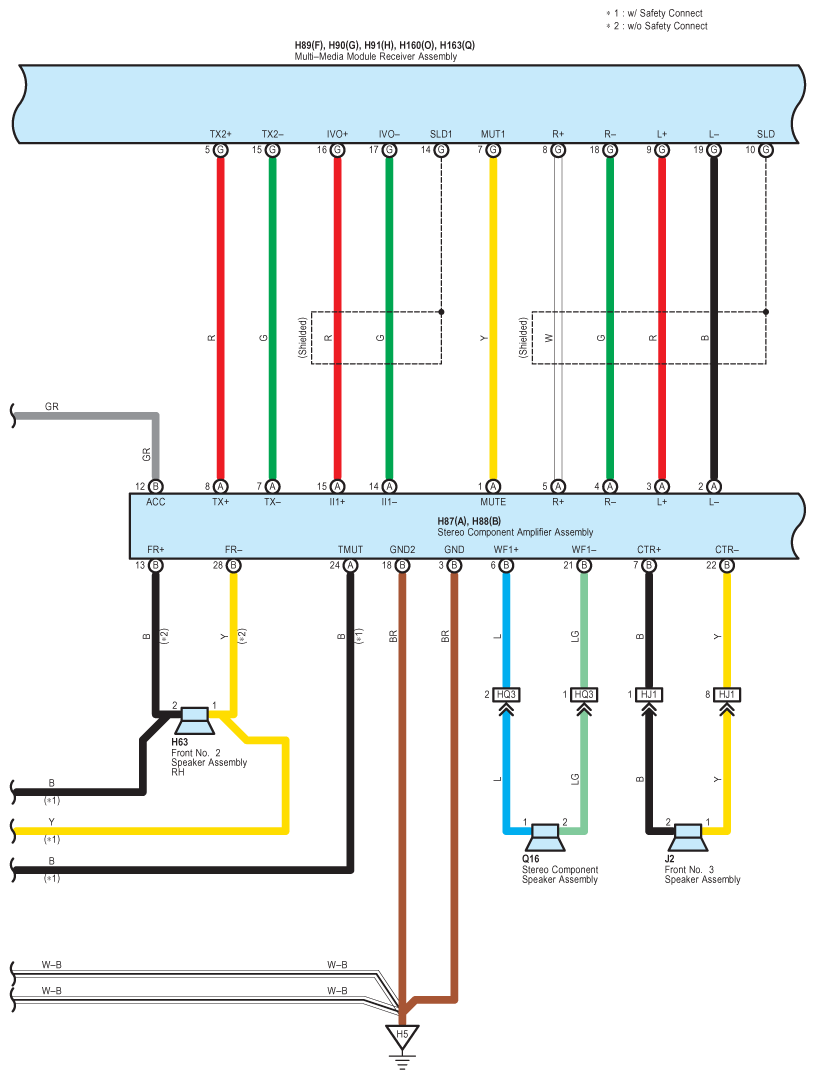
Fig 2: Audio System (W/O Lexus Navigation System W/Multi-Media Module Receiver Assembly) And Parking Assist (Rear View Monitor) (W/O Lexus Navigation System) - Circuit Diagram (2 Of 9)
G08948374Courtesy of © TOYOTA, LICENSE AGREEMENT TMS1002
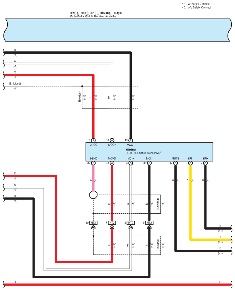
Fig 3: Audio System (W/O Lexus Navigation System W/Multi-Media Module Receiver Assembly) And Parking Assist (Rear View Monitor) (W/O Lexus Navigation System) - Circuit Diagram (3 Of 9)
G08948375Courtesy of © TOYOTA, LICENSE AGREEMENT TMS1002
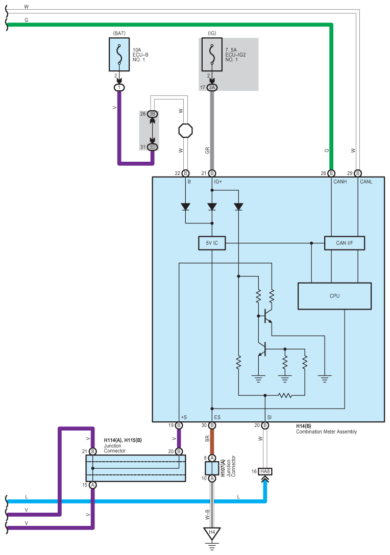
Fig 4: Audio System (W/O Lexus Navigation System W/Multi-Media Module Receiver Assembly) And Parking Assist (Rear View Monitor) (W/O Lexus Navigation System) - Circuit Diagram (4 Of 9)
G08948376Courtesy of © TOYOTA, LICENSE AGREEMENT TMS1002
Fig 5: Audio System (W/O Lexus Navigation System W/Multi-Media Module Receiver Assembly) And Parking Assist (Rear View Monitor) (W/O Lexus Navigation System) - Circuit Diagram (5 Of 9)
G08948377Courtesy of © TOYOTA, LICENSE AGREEMENT TMS1002
Fig 6: Audio System (W/O Lexus Navigation System W/Multi-Media Module Receiver Assembly) And Parking Assist (Rear View Monitor) (W/O Lexus Navigation System) - Circuit Diagram (6 Of 9)
G08948378Courtesy of © TOYOTA, LICENSE AGREEMENT TMS1002
Fig 7: Audio System (W/O Lexus Navigation System W/Multi-Media Module Receiver Assembly) And Parking Assist (Rear View Monitor) (W/O Lexus Navigation System) - Circuit Diagram (7 Of 9)
G08948379Courtesy of © TOYOTA, LICENSE AGREEMENT TMS1002
Fig 8: Audio System (W/O Lexus Navigation System W/Multi-Media Module Receiver Assembly) And Parking Assist (Rear View Monitor) (W/O Lexus Navigation System) - Circuit Diagram (8 Of 9)
G08948380Courtesy of © TOYOTA, LICENSE AGREEMENT TMS1002
Fig 9: Audio System (W/O Lexus Navigation System W/Multi-Media Module Receiver Assembly) And Parking Assist (Rear View Monitor) (W/O Lexus Navigation System) - Circuit Diagram (9 Of 9)
G08948381Courtesy of © TOYOTA, LICENSE AGREEMENT TMS1002