LEMON Manuals: Even more car manuals for everyone: 1960-2025
Home >> Lexus >> 2013 >> GX 460 Base >> Repair and Diagnosis >> Engine Performance >> System >> Engine Control System (Diagnostic Codes (P0300 - P060D)) >> SFI System >> DTC P0401: Exhaust Gas Recirculation Flow Insufficient Detected >> Wiring Diagram
April 5, 2026: LEMON Manuals is launched! Read the announcement.

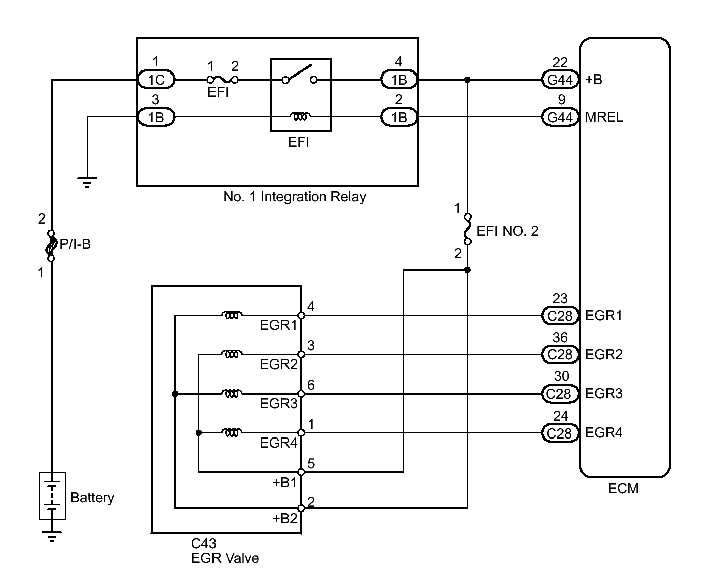
DTC P0401: Exhaust Gas Recirculation Flow Insufficient Detected: Wiring Diagram

Fig 1: EGR Valve Circuit Wiring Diagram
GTY357685Courtesy of © TOYOTA, LICENSE AGREEMENT TMS1002