LEMON Manuals: Even more car manuals for everyone: 1960-2025
Home >> Lexus >> 2013 >> IS 250C Base >> Repair and Diagnosis >> Electrical >> Starter >> Smart Access System (Keyless Start) (Diagnostics - Introduction) >> SMART ACCESS SYSTEM WITH PUSH-BUTTON START (For Start Function) >> System Diagram [08/2012 - ] >> System Diagram [08/2012 - ]
April 5, 2026: LEMON Manuals is launched! Read the announcement.

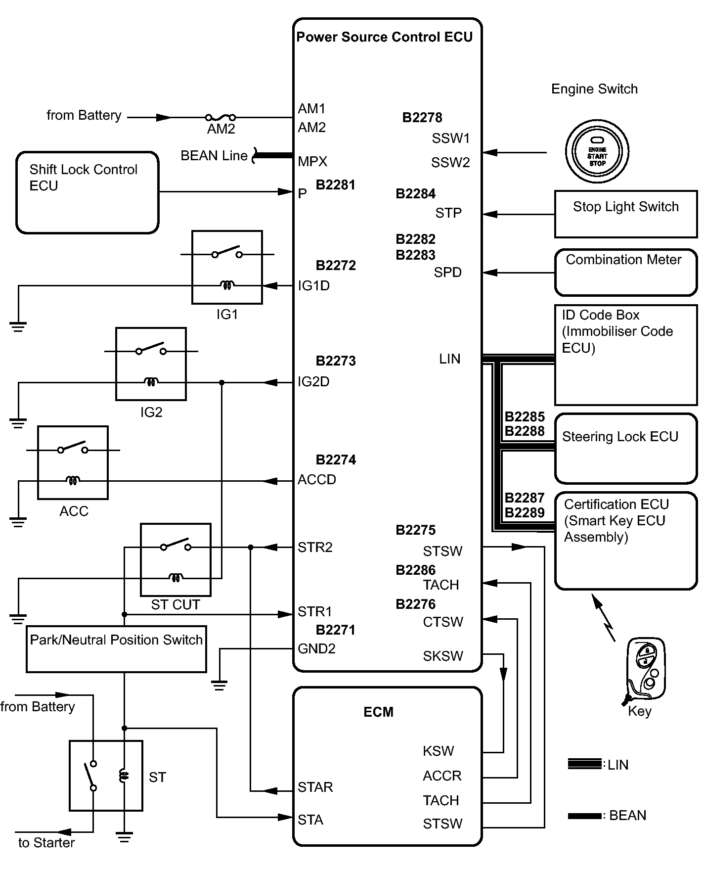
System Diagram [08/2012 - ]

Fig 1: Identifying Smart Access System With Push-Button Start (For Start Function) Wiring Diagram
GTY418467Courtesy of © TOYOTA, LICENSE AGREEMENT TMS1002
COMMUNICATION TABLE

Transmitting ECU
(Transmitter)
Receiving ECU
(Receiver)
Signal Communication Method
ECM Power source control ECU Engine speed signal CAN/BEAN
Meter ECU Power source control ECU Vehicle speed signal BEAN/Local communication
Steering lock ECU Power source control ECU Steering lock/unlock signal LIN/Local communication
Shift lock control ECU Power source control ECU Shift position signal BEAN/Local communication
Certification ECU (smart key ECU assembly) Power source control ECU LIN master signal LIN
Power source control ECU Certification ECU (smart key ECU assembly) ID required signal LIN
Key existence condition signal BEAN