LEMON Manuals: Even more car manuals for everyone: 1960-2025
Home >> Lexus >> 2013 >> IS 350 Base, AWD >> Repair and Diagnosis (Single Page) >> Body & Frame >> Seats >> Front Power Seat Control (W/ Seat Position Memory System) (Diagnostics & Circuit Tests) >> FRONT POWER SEAT CONTROL SYSTEM (w/ Seat Position Memory System) >> Circuit Tests >> Driver Side Seat Memory Switch Circuit >> Wiring Diagram
April 5, 2026: LEMON Manuals is launched! Read the announcement.

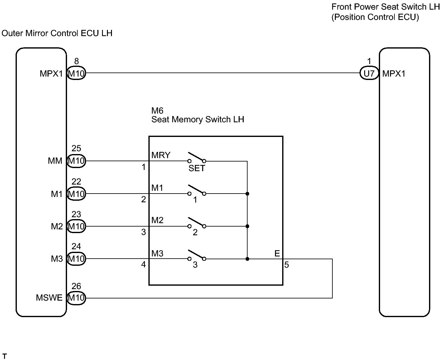
Driver Side Seat Memory Switch Circuit: Wiring Diagram

Fig 1: Driver Side Seat Memory Switch Circuit Diagram
GTY127449Courtesy of © TOYOTA, LICENSE AGREEMENT TMS1002