LEMON Manuals
: Even more car manuals for everyone: 1960-2025
Home
>>
Lexus
>>
2013
>>
IS 350C Base
>>
Repair and Diagnosis
>>
Electrical
>>
Body Electrical
>>
OEM System Circuits
>>
EPS
>>
Notes
April 5, 2026:
LEMON Manuals is launched!
Read the announcement.
OEM System Circuits: EPS: Notes
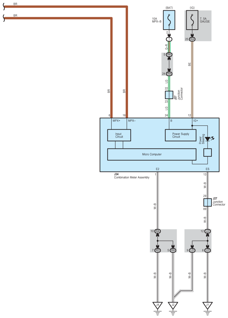
Fig 1: EPS Wiring Diagram (1 Of 4)
Courtesy of © TOYOTA, LICENSE AGREEMENT TMS1002
Fig 2: EPS Wiring Diagram (2 Of 4)
Courtesy of © TOYOTA, LICENSE AGREEMENT TMS1002
Fig 3: EPS Wiring Diagram (3 Of 4)
Courtesy of © TOYOTA, LICENSE AGREEMENT TMS1002
Fig 4: EPS Wiring Diagram (4 Of 4)
Courtesy of © TOYOTA, LICENSE AGREEMENT TMS1002