LEMON Manuals: Even more car manuals for everyone: 1960-2025
Home >> Lexus >> 2013 >> IS 350C Base >> Repair and Diagnosis >> Electrical >> Body Electrical >> OEM System Circuits >> Headlight >> Notes
April 5, 2026: LEMON Manuals is launched! Read the announcement.

OEM System Circuits: Headlight: Notes

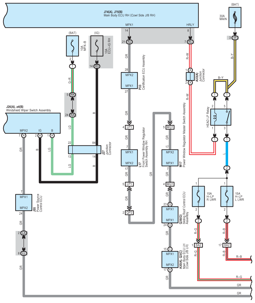
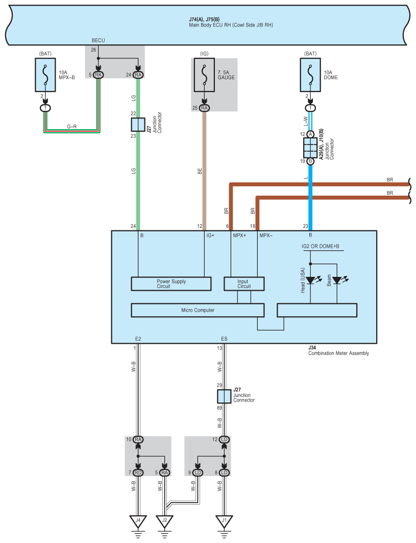
Fig 1: Headlight Wiring Diagram (1 Of 7)
G09121164Courtesy of © TOYOTA, LICENSE AGREEMENT TMS1002
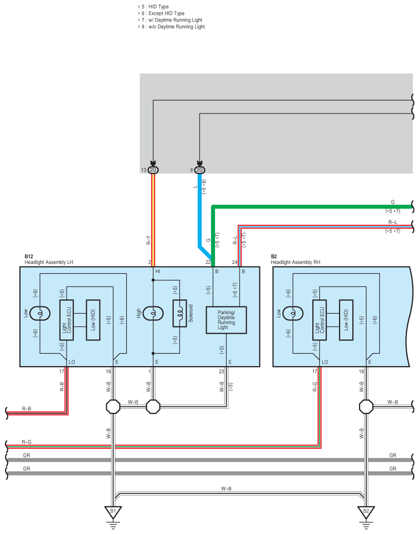
Fig 2: Headlight Wiring Diagram (2 Of 7)
G09121165Courtesy of © TOYOTA, LICENSE AGREEMENT TMS1002
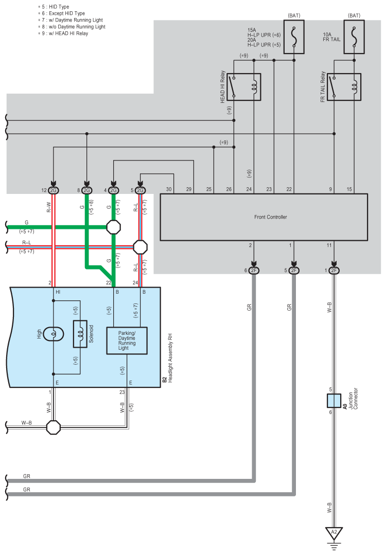
Fig 3: Headlight Wiring Diagram (3 Of 7)
G09121166Courtesy of © TOYOTA, LICENSE AGREEMENT TMS1002
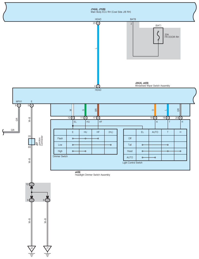
Fig 4: Headlight Wiring Diagram (4 Of 7)
G09121167Courtesy of © TOYOTA, LICENSE AGREEMENT TMS1002
Fig 5: Headlight Wiring Diagram (5 Of 7)
G09121168Courtesy of © TOYOTA, LICENSE AGREEMENT TMS1002
Fig 6: Headlight Wiring Diagram (6 Of 7)
G09121169Courtesy of © TOYOTA, LICENSE AGREEMENT TMS1002
Fig 7: Headlight Wiring Diagram (7 Of 7)
G09121170Courtesy of © TOYOTA, LICENSE AGREEMENT TMS1002