LEMON Manuals: Even more car manuals for everyone: 1960-2025
Home >> Lexus >> 2014 >> IS 250 Base, AWD >> Repair and Diagnosis (Single Page) >> Accessories & Equipment >> Wiper/Washer Systems >> Wiper System / Washer System - Diagnostics - Introduction >> Wiper And Washer System >> System Diagram [10/2017 - ] >> System Diagram [10/2017 - ]
April 5, 2026: LEMON Manuals is launched! Read the announcement.

System Diagram [10/2017 - ]

  1. WIPER AND WASHER SYSTEM 
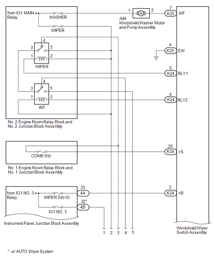
    Fig 1: Wiper And Washer System Diagram (1 Of 2)
    GTY790548Courtesy of © TOYOTA, LICENSE AGREEMENT TMS1002
    Fig 2: Wiper And Washer System Diagram (2 Of 2)
    GTY800225Courtesy of © TOYOTA, LICENSE AGREEMENT TMS1002
  2. HEADLIGHT CLEANER SYSTEM (w/ Headlight Cleaner System) 
    Fig 3: Headlight Cleaner System Diagram (1 Of 2)
    GTY638199Courtesy of © TOYOTA, LICENSE AGREEMENT TMS1002
    Fig 4: Headlight Cleaner System Diagram (2 Of 2)
    GTY620538Courtesy of © TOYOTA, LICENSE AGREEMENT TMS1002
  3. WASHER FLUID LEVEL WARNING SYSTEM 
    Fig 5: Washer Fluid Level Warning System Wiring Diagram
    GTY469805Courtesy of © TOYOTA, LICENSE AGREEMENT TMS1002