LEMON Manuals: Even more car manuals for everyone: 1960-2025
Home >> Lexus >> 2014 >> IS 250 Base, RWD >> Repair and Diagnosis >> Engine Performance >> System >> Engine Control System (4GR-FSE) - Diagnostics - Introduction (1 Of 2) >> SFI System >> System Diagram [04/2013 - 08/2015] >> System Diagram [04/2013 - 08/2015]
April 5, 2026: LEMON Manuals is launched! Read the announcement.

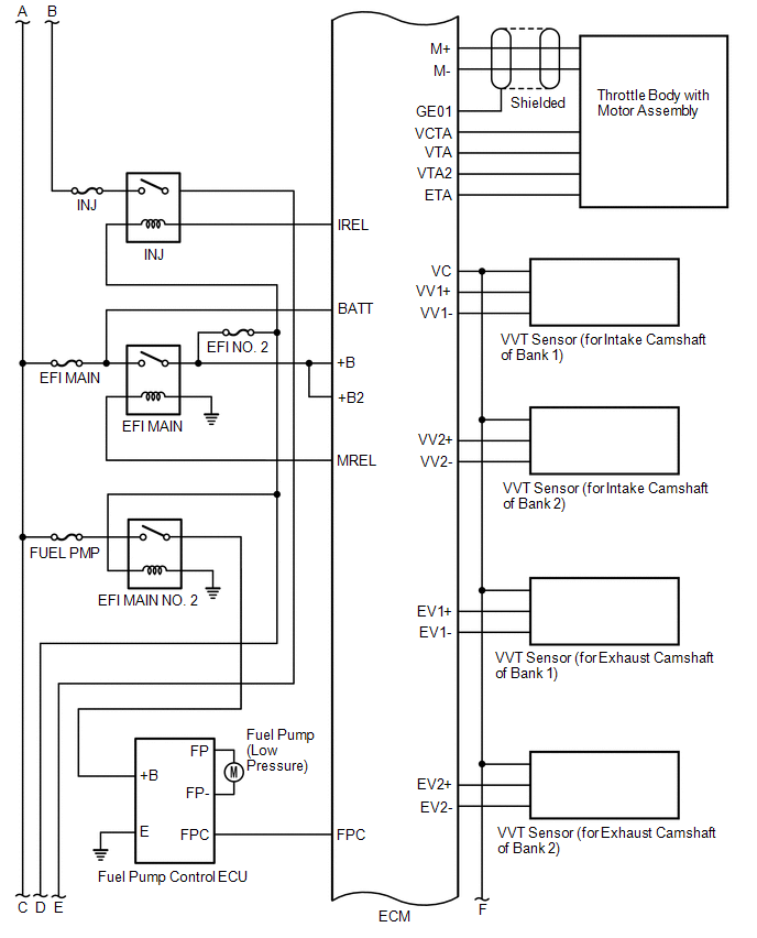
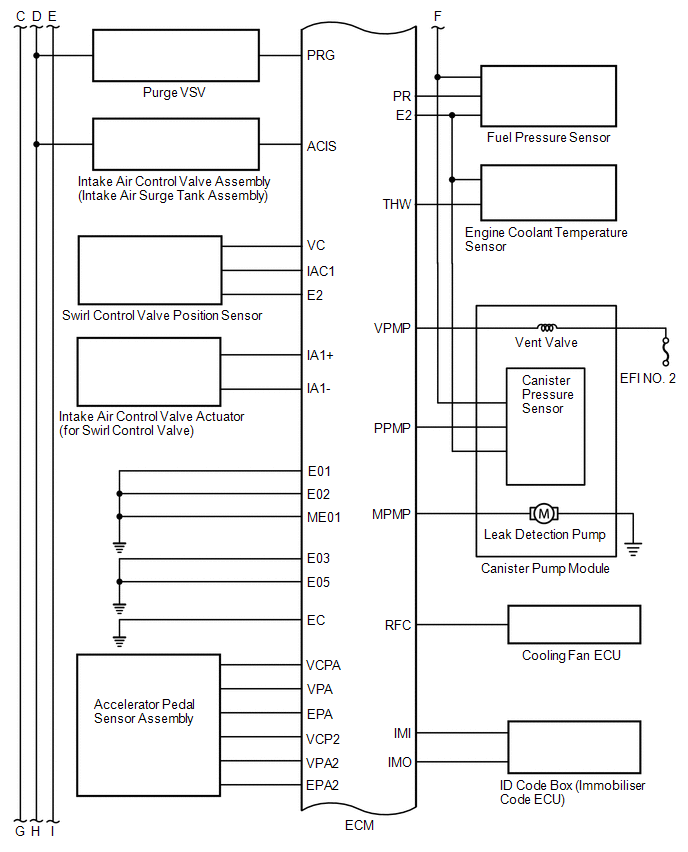
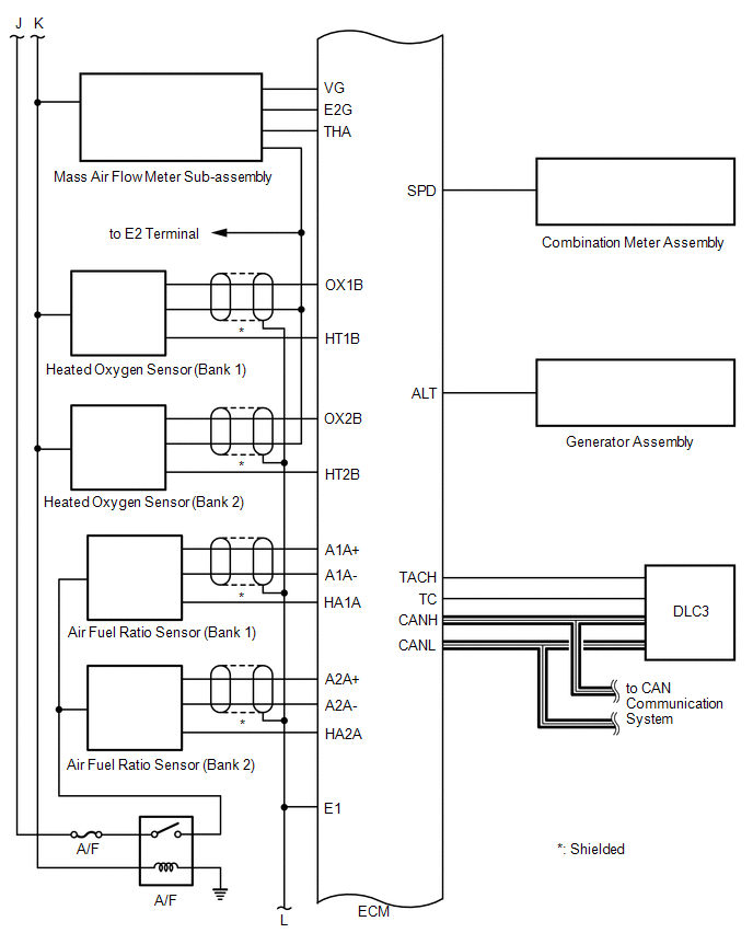
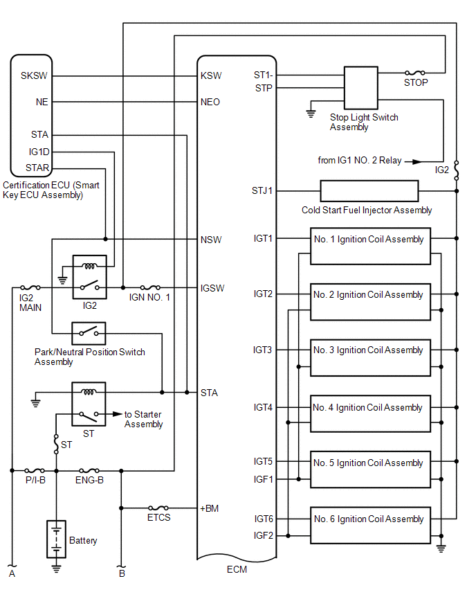
System Diagram [04/2013 - 08/2015]

GTY510253Courtesy of © TOYOTA, LICENSE AGREEMENT TMS1002
GTY503895Courtesy of © TOYOTA, LICENSE AGREEMENT TMS1002
GTY500414Courtesy of © TOYOTA, LICENSE AGREEMENT TMS1002
GTY521155Courtesy of © TOYOTA, LICENSE AGREEMENT TMS1002
GTY512530Courtesy of © TOYOTA, LICENSE AGREEMENT TMS1002
GTY506977Courtesy of © TOYOTA, LICENSE AGREEMENT TMS1002