LEMON Manuals: Even more car manuals for everyone: 1960-2025
Home >> Lexus >> 2015 >> GS 450h Base >> Repair and Diagnosis (Single Page) >> Electrical >> Fuses & Circuit Breakers >> OEM Junction Block, Ecu & Fuse/Relay Locations >> Relay Block Identification >> Engine Room Relay Block Assembly No. 1 And Engine Room Junction Block Assembly No. 1 Front Fender Apron LH >> Notes
April 5, 2026: LEMON Manuals is launched! Read the announcement.

Engine Room Relay Block Assembly No. 1 And Engine Room Junction Block Assembly No. 1 Front Fender Apron LH: Notes

For additional information, refer to Figure.

Fig 1: Engine Room R/B And J/B No. 1 Fuse & Relay Identification (Before Oct. 2015 Production)
G00406145Courtesy of © TOYOTA, LICENSE AGREEMENT TMS1002
Fig 2: Engine Room R/B And J/B No. 1 Fuse & Relay Identification (From Oct. 2015 Production)
G00406146Courtesy of © TOYOTA, LICENSE AGREEMENT TMS1002
ENGINE ROOM R/B AND J/B NO. 1 RELAY IDENTIFICATION

RELAY DESCRIPTION
PTC NO.1 Relay
HORN Relay
INV W/P Relay
RH LAMP Relay
LH LAMP Relay
OIL PMP Relay
EPS Relay
FAN NO.1 Relay
IGCT Relay
PTC NO.2 Relay
Engine Room R/B And J/B No. 1 Fuse Identification Legend

FUSE
5A COMB SW
5A GAUGE
5A ODS
5A WASH-S
7.5A A/C W/P
7.5A DOME
7.5A ECU-B
7.5A IGCT NO.3
7.5A IGCT NO. 5
7.5A TV
10A ABS MAIN 1
10A ABS MAIN 2
10A ABS MAIN 3
10A CAPACITOR
10A EFI NO.2
10A EPS-B
10A ETCS
10A HORN
10A IGCT NO.4
10A IGN
10A INJ
10A INV W/P
10A MPX-B
15A A/F
20A EDU
20A IG2 MAIN
25A EFI MAIN
25A F/PMP
30A ABS NO.1
30A ABS NO.2
30A EPB
30A H-LP CLN
30A H-LP LH
30A H-LP LO
30A H-LP RH
30A IGCT NO.1
40A VGRS
50A HTR
50A P/I-B NO.1
50A PTC NO.1
50 PTC NO.2
60A OIL PMP
80A EPS
80A FAN NO. 1
80A P/I-B NO.2
100A P/I DC/DC
150A DC/DC
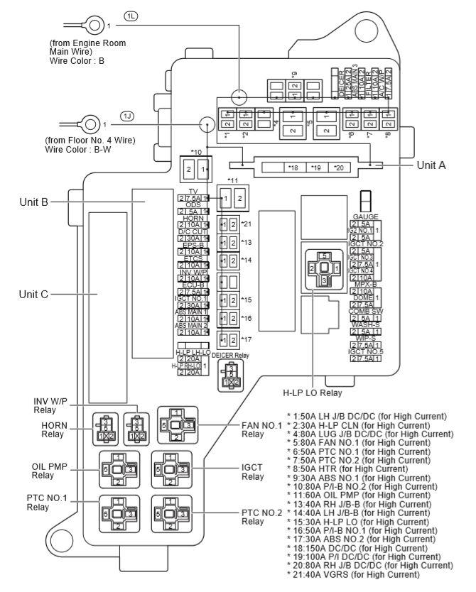
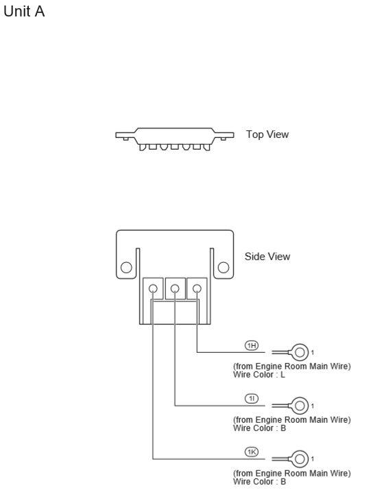
Fig 3: Engine Room R/B And J/B Assembly No. 1 (Unit A)
G00406147Courtesy of © TOYOTA, LICENSE AGREEMENT TMS1002
Fig 4: Engine Room R/B And J/B Assembly No. 1 (Unit B) Fuse Identification
G09117582Courtesy of © TOYOTA, LICENSE AGREEMENT TMS1002
Engine Room R/B And J/B No. 1 Fuse Identification Legend

See: Engine Room R/B And J/B No. 1 Fuse Identification Legend 
Fig 5: Engine Room R/B And J/B Assembly No. 1 (Unit C)
G09117583Courtesy of © TOYOTA, LICENSE AGREEMENT TMS1002