LEMON Manuals: Even more car manuals for everyone: 1960-2025
Home >> Lexus >> 2015 >> GX 460 Base >> Repair and Diagnosis (Single Page) >> Electrical >> Component Locations >> OEM Junction Block, Ecu & Fuse/Relay Locations >> Junction Block Fuse, Relay & Circuit Identification >> Instrument Panel Junction Block Assembly Instrument Panel Reinforcement >> Instrument Panel Junction Block Assembly Inner Circuit
April 5, 2026: LEMON Manuals is launched! Read the announcement.

Instrument Panel Junction Block Assembly Inner Circuit

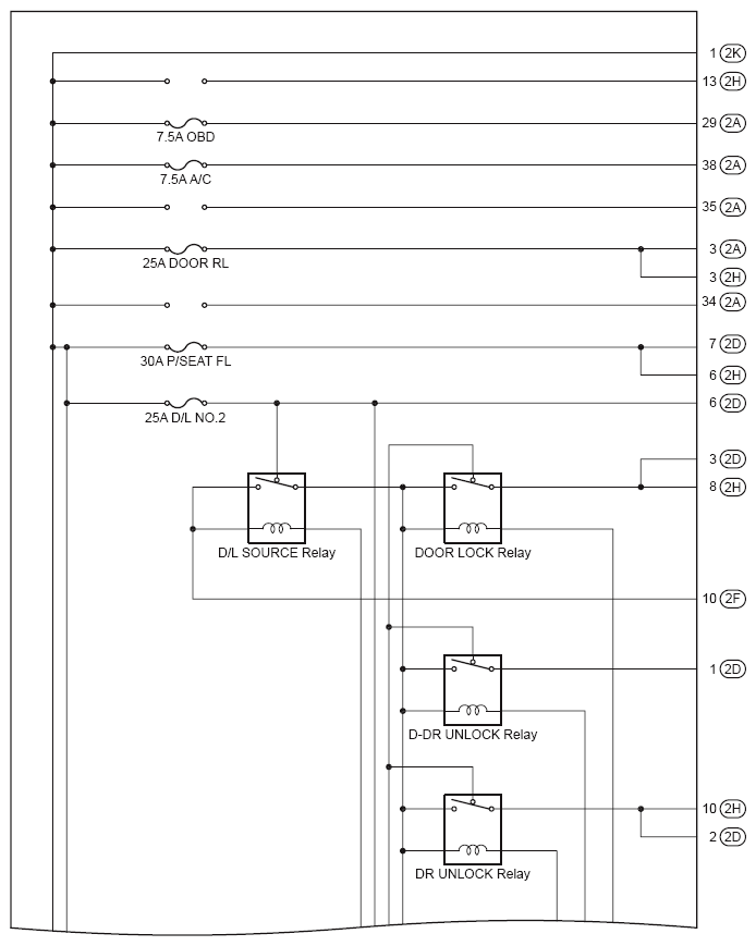
Fig 1: Instrument Panel J/B Assembly Inner Circuit Diagram & Relays (1 Of 6)
G09114420Courtesy of © TOYOTA, LICENSE AGREEMENT TMS1002
INSTRUMENT PANEL J/B INNER CIRCUIT RELAY IDENTIFICATION

RELAY DESCRIPTION
D/L Source Relay
Door Lock Relay
D-DR Unlock Relay
DR Unlock Relay
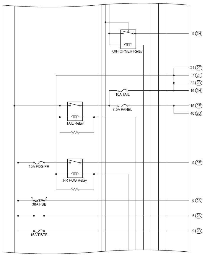
Fig 2: Instrument Panel J/B Assembly Inner Circuit Diagram & Relays (2 Of 6)
G09114421Courtesy of © TOYOTA, LICENSE AGREEMENT TMS1002
INSTRUMENT PANEL J/B INNER CIRCUIT RELAY IDENTIFICATION

RELAY DESCRIPTION
G/H Opner Relay
Tail Relay
FR Fog Relay
Fig 3: Instrument Panel J/B Assembly Inner Circuit Diagram & Relays (3 Of 6)
G09114422Courtesy of © TOYOTA, LICENSE AGREEMENT TMS1002
INSTRUMENT PANEL J/B INNER CIRCUIT RELAY IDENTIFICATION

RELAY DESCRIPTION
ACC Relay
BK/UP Relay
IG1 No. 1 Relay
IG1 No. 5 Relay
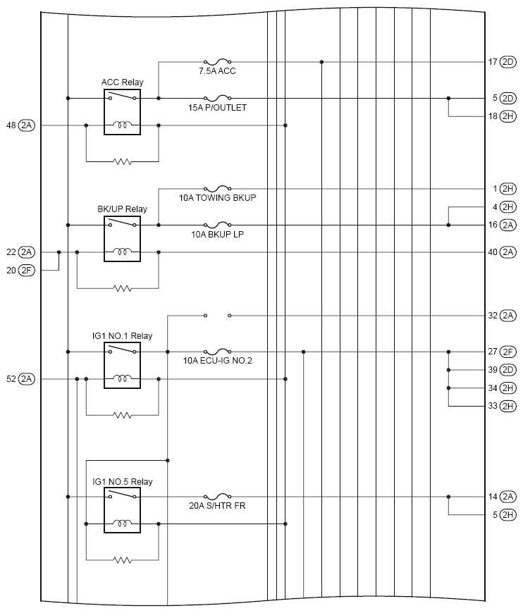
Fig 4: Instrument Panel J/B Assembly Inner Circuit Diagram & Relays (4 Of 6)
G09114423Courtesy of © TOYOTA, LICENSE AGREEMENT TMS1002
INSTRUMENT PANEL J/B INNER CIRCUIT RELAY IDENTIFICATION

RELAY DESCRIPTION
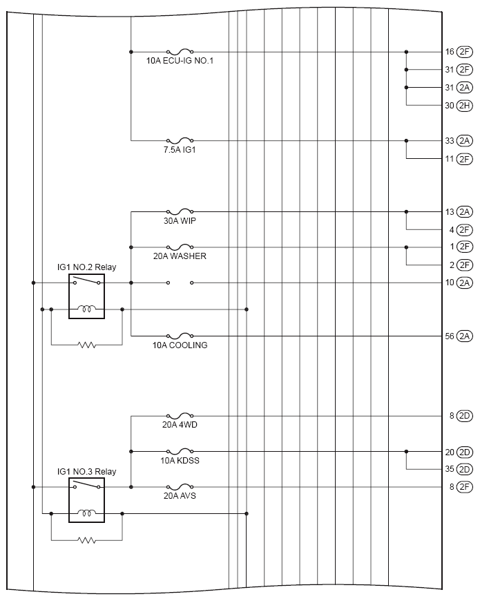
IG1 No. 2 Relay
IG1 No. 3 Relay
Fig 5: Instrument Panel J/B Assembly Inner Circuit Diagram (5 Of 6)
G09114424Courtesy of © TOYOTA, LICENSE AGREEMENT TMS1002
Fig 6: Instrument Panel J/B Assembly Inner Circuit Diagram (6 Of 6)
G09114425Courtesy of © TOYOTA, LICENSE AGREEMENT TMS1002