LEMON Manuals: Even more car manuals for everyone: 1960-2025
Home >> Lexus >> 2015 >> RC 350 Base, AWD >> Repair and Diagnosis (Single Page) >> Accessories & Equipment >> Wiper/Washer Systems >> Wiper System / Washer System - Diagnostics - Introduction >> Wiper And Washer System >> System Diagram [08/2016 - 10/2018] >> System Diagram [08/2016 - 10/2018]
April 5, 2026: LEMON Manuals is launched! Read the announcement.

System Diagram [08/2016 - 10/2018]

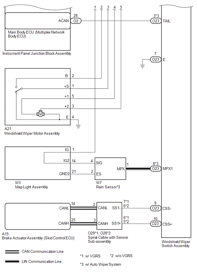
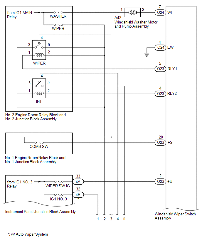
  1. WIPER AND WASHER SYSTEM 
    GTY520732Courtesy of © TOYOTA, LICENSE AGREEMENT TMS1002
    GTY638092Courtesy of © TOYOTA, LICENSE AGREEMENT TMS1002
  2. HEADLIGHT CLEANER SYSTEM (w/ Headlight Cleaner System) 
    GTY517885Courtesy of © TOYOTA, LICENSE AGREEMENT TMS1002
    GTY519046Courtesy of © TOYOTA, LICENSE AGREEMENT TMS1002
  3. WASHER FLUID LEVEL WARNING SYSTEM 
    GTY514599Courtesy of © TOYOTA, LICENSE AGREEMENT TMS1002