LEMON Manuals: Even more car manuals for everyone: 1960-2025
Home >> Lexus >> 2016 >> GS 200t Base >> Repair and Diagnosis (Single Page) >> Electrical >> Fuses & Circuit Breakers >> OEM Junction Block, Ecu & Fuse/Relay Locations >> Relay Block Identification >> Engine Room Relay Block Assembly No. 1 And Engine Room Junction Block Assembly No. 1 Front Fender Apron RH >> Engine Room Relay Block Assembly No. 1 and Engine Room Junction Block Assembly No. 1 Inner Circuit
April 5, 2026: LEMON Manuals is launched! Read the announcement.

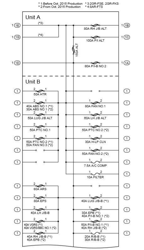
Engine Room Relay Block Assembly No. 1 and Engine Room Junction Block Assembly No. 1 Inner Circuit

Fig 1: Engine Room R/B And J/B Assembly No. 1 Inner Circuit Diagram (Unit A/B)
G00584513Courtesy of © TOYOTA, LICENSE AGREEMENT TMS1002
Fig 2: Engine Room R/B And J/B Assembly No. 1 Inner Circuit Diagram
G00584514Courtesy of © TOYOTA, LICENSE AGREEMENT TMS1002