LEMON Manuals: Even more car manuals for everyone: 1960-2025
Home >> Lexus >> 2016 >> GS 450h Base >> Repair and Diagnosis (Single Page) >> Electrical >> Fuses & Circuit Breakers >> OEM Junction Block, Ecu & Fuse/Relay Locations >> Relay Block Identification >> Engine Room Relay Block Assembly No. 1 And Engine Room Junction Block Assembly No. 1 Front Fender Apron LH >> Engine Room Relay Block Assembly No. 1 and Engine Room Junction Block Assembly No. 1 Inner Circuit
April 5, 2026: LEMON Manuals is launched! Read the announcement.

Engine Room Relay Block Assembly No. 1 and Engine Room Junction Block Assembly No. 1 Inner Circuit

Fig 1: Engine Room R/B And J/B Assembly No. 1 Inner Circuit Diagram (Unit A)
G00406148Courtesy of © TOYOTA, LICENSE AGREEMENT TMS1002
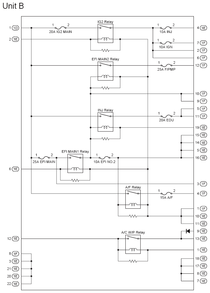
Fig 2: Engine Room R/B And J/B Assembly No. 1 Inner Circuit Diagram (Unit B) With Relays
G09117585Courtesy of © TOYOTA, LICENSE AGREEMENT TMS1002
ENGINE ROOM R/B AND J/B NO. 1 INNER CIRCUIT RELAY IDENTIFICATION (UNIT B)

RELAY DESCRIPTION
IG2 Relay
EFI Main2 Relay
INJ Relay
EFI Main1 Relay
A/F Relay
A/C W/P Relay
Fig 3: Engine Room R/B And J/B Assembly No. 1 Inner Circuit Diagram (Unit C)
G09117586Courtesy of © TOYOTA, LICENSE AGREEMENT TMS1002