LEMON Manuals: Even more car manuals for everyone: 1960-2025
Home >> Lexus >> 2016 >> IS 300 Base >> Repair and Diagnosis >> Engine Performance >> System >> Engine Control System (2GR-FSE) - Diagnostics - Introduction (1 Of 4) >> SFI System >> System Diagram [10/2016 - 10/2017] >> System Diagram [10/2016 - 10/2017]
April 5, 2026: LEMON Manuals is launched! Read the announcement.

System Diagram [10/2016 - 10/2017]

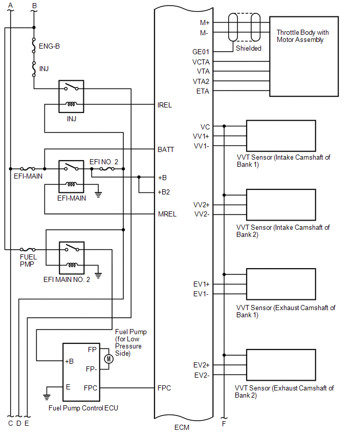
Fig 1: Engine Control System (SFI) System Diagram [10/2016 - 10/2017] (1 Of 6)
GTY633992Courtesy of © TOYOTA, LICENSE AGREEMENT TMS1002
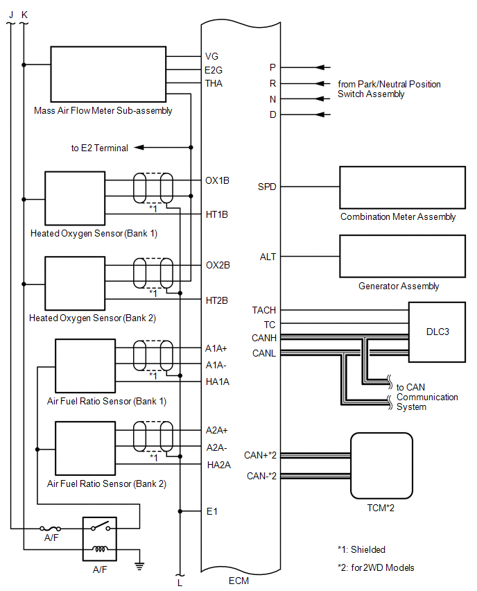
Fig 2: Engine Control System (SFI) System Diagram [10/2016 - 10/2017] (2 Of 6)
GTY665053Courtesy of © TOYOTA, LICENSE AGREEMENT TMS1002
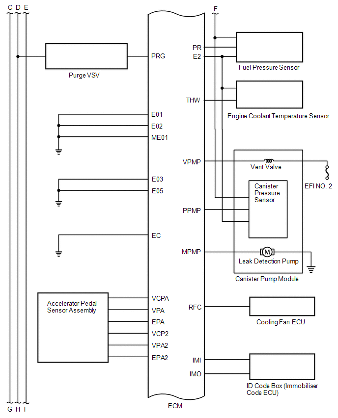
Fig 3: Engine Control System (SFI) System Diagram [10/2016 - 10/2017] (3 Of 6)
GTY457705Courtesy of © TOYOTA, LICENSE AGREEMENT TMS1002
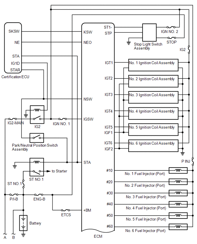
Fig 4: Engine Control System (SFI) System Diagram [10/2016 - 10/2017] (4 Of 6)
GTY466768Courtesy of © TOYOTA, LICENSE AGREEMENT TMS1002
Fig 5: Engine Control System (SFI) System Diagram [10/2016 - 10/2017] (5 Of 6)
GTY463718Courtesy of © TOYOTA, LICENSE AGREEMENT TMS1002
Fig 6: Engine Control System (SFI) System Diagram [10/2016 - 10/2017] (6 Of 6)
GTY627755Courtesy of © TOYOTA, LICENSE AGREEMENT TMS1002