LEMON Manuals: Even more car manuals for everyone: 1960-2025
Home >> Lexus >> 2016 >> LS 460 Base, RWD >> Repair and Diagnosis (Single Page) >> Accessories & Equipment >> Anti-Theft Systems >> Smart Access System (Keyless Start) - Diagnostic Codes & Symptom Tests >> Smart Access System With Push-Button Start >> Power Source Mode does not Change [09/2015 - ] >> Procedure
April 5, 2026: LEMON Manuals is launched! Read the announcement.

Power Source Mode does not Change [09/2015 - ]: Procedure

  1. CHECK WHETHER DTC OUTPUT RECURS 
    1. Clear the DTCs (Refer to DTC CHECK / CLEAR [09/2015 - ] ).

      HINT: 

      After all DTCs are cleared, check if the trouble occurs again 5 seconds after the engine switch is turned on (IG).

    2. Check for DTCs again.

      OK

      No DTC is output.

    Result:  NG

    NG 

    GO TO DTC CHART 

    (Refer to DIAGNOSTIC TROUBLE CODE CHART [09/2015 - ] )

    Result:  OK

    OK 

    See step  2

  2. CHECK ENGINE SWITCH (SWITCH CONDITION) 
    1. Ensure the key is inside the cabin.
    2. Check that the engine switch indicator illuminates in green when the shift lever is in P or N and the brake pedal is depressed.

      OK

      Engine switch indicator illuminates in green.

    Result:  NG

    NG 

    GO TO ROOM OSCILLATOR DOES NOT RECOGNIZE KEY 

    (Refer to Room Oscillator does not Recognize Key [09/2015 - ] )

    Result:  OK

    OK 

    See step  3

  3. READ VALUE USING TECHSTREAM (RELAY MONITOR) 
    1. Use the Data List to check if the relay monitor is functioning properly.
      MAIN BODY

      Tester Display Measurement Item/Range Normal Condition Diagnostic Note
      IG1 Relay Monitor (Outside) D-IG1-1 outer relay monitor/ON or OFF ON: Engine switch on (IG)
      OFF: Engine switch off
      -
      IG2 Relay Monitor (Outside) IG2 outer relay monitor/ON or OFF ON: Engine switch on (IG)
      OFF: Engine switch off
      -
      IG1 Relay Monitor(Inside) D-IG1-1 inner relay monitor/ON or OFF ON: Engine switch on (IG)
      OFF: Engine switch off
      -
      IG2 Relay Monitor(Inside) IG2 inner relay monitor/ON or OFF ON: Engine switch on (IG)
      OFF: Engine switch off
      -
      ACC Relay Monitor D-ACC relay monitor/ON or OFF ON: Engine switch on (ACC)
      OFF: Engine switch off
      -

      OK

      ON is displayed on the Techstream screen.

    Result:  NG

    NG 

    See step  7

    Result:  OK

    OK 

    See step  4

  4. CHECK HARNESS AND CONNECTOR (MAIN BODY ECU) 
    GTY652416Courtesy of © TOYOTA, LICENSE AGREEMENT TMS1002
    1. Disconnect the L13, DF and DA main body ECU connectors.
    2. Measure the resistance and voltage according to the value(s) in the table below.

      Standard resistance

      Tester Connection Condition Specified Condition
      L13-3 (IG1D) - DA-32 Always Below 1 Ω
      L13-3 (IG1D) or DA-32 - Body ground Always 10 kΩ or higher
      L13-22 (ACCD) - DA-19 Always Below 1 Ω
      L13-22 (ACCD) or DA-19 - Body ground Always 10 kΩ or higher
      DA-40 - Body ground Always Below 1 Ω

      Standard voltage

      Tester Connection Condition Specified Condition
      DF-1 - Body ground Always 11 to 14 V

    Result:  NG

    NG 

    REPAIR OR REPLACE HARNESS OR CONNECTOR 

    Result:  OK

    OK 

    See step  5

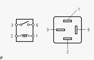
  5. INSPECT IGNITION RELAY NO. 2 (IG2) 
    1. Remove the IG2 relay from the engine room No. 2 junction block.
      GTY675084Courtesy of © TOYOTA, LICENSE AGREEMENT TMS1002
    2. Measure the resistance according to the value(s) in the table below.

      Standard resistance

      Tester Connection Condition Specified Condition
      3 - 5 When battery voltage is not applied to terminals 1 and 2 10 kΩ or higher
      3 - 5 When battery voltage is applied to terminals 1 and 2 Below 1 Ω

    Result:  NG

    NG 

    REPLACE IGNITION RELAY NO. 2 (IG2) 

    Result:  OK

    OK 

    See step  6

  6. CHECK HARNESS AND CONNECTOR (NO. 2 RELAY BLOCK - MAIN BODY ECU AND STEERING LOCK ECU) 
    GTY670368Courtesy of © TOYOTA, LICENSE AGREEMENT TMS1002
    1. Remove the IG2 relay from the engine room No. 2 junction block.
    2. Disconnect the L12 main body ECU connector.
    3. Disconnect the L33 steering lock ECU connector.
    4. Measure the resistance according to the value(s) in the table below.

      Standard resistance

      Tester Connection Condition Specified Condition
      L12-11 (IG2D) - Relay block IG2 relay terminal 1 Always Below 1 Ω
      L12-11 (IG2D) or Relay block IG2 relay terminal 1 - Body ground Always 10 kΩ or higher
      Relay block IG2 relay terminal 2 - Body ground Always Below 1 Ω
      L33-6 (IG2) - Relay block IG2 relay terminal 3 Always Below 1 Ω
      L33-6 (IG2) or Relay block IG2 relay terminal 3 - Body ground Always 10 kΩ or higher

    Result:  OK

    OK 

    REPLACE MAIN BODY ECU 

    Result:  NG

    NG 

    REPAIR OR REPLACE HARNESS OR CONNECTOR 

  7. INSPECT ENGINE SWITCH 
    1. Remove the engine switch (Refer to REMOVAL [09/2015 - ] ).
      GTY656340Courtesy of © TOYOTA, LICENSE AGREEMENT TMS1002
    2. Measure the resistance according to the value(s) in the table below.

      Standard resistance

      Tester Connection Switch Condition Specified Condition
      7 (SS1) - 5 (GND) Pushed Below 1 Ω
      2 (SS2) - 5 (GND) Pushed Below 1 Ω
      7 (SS1) - 5 (GND) Not pushed 10 kΩ or higher
      2 (SS2) - 5 (GND) Not pushed 10 kΩ or higher

    Result:  NG

    NG 

    REPLACE ENGINE SWITCH 

    (Refer to REMOVAL [09/2015 - ] )

    Result:  OK

    OK 

    See step  8

  8. CHECK HARNESS AND CONNECTOR (MAIN BODY ECU - ENGINE SWITCH) 
    GTY660235Courtesy of © TOYOTA, LICENSE AGREEMENT TMS1002
    1. Disconnect the L13 main body ECU connector.
    2. Disconnect the L36 engine switch connector.
    3. Measure the resistance according to the value(s) in the table below.

      Standard resistance

      Tester Connection Condition Specified Condition
      L36-7 (SS1) - L13-17 (SSW1) Always Below 1 Ω
      L36-2 (SS2) - L13-16 (SSW2) Always Below 1 Ω
      L36-5 (GND) - Body ground Always Below 1 Ω
      L36-7 (SS1) or L13-17 (SSW1) - Body ground Always 10 kΩ or higher
      L36-2 (SS2) or L13-16 (SSW2) - Body ground Always 10 kΩ or higher

    Result:  NG

    NG 

    REPAIR OR REPLACE HARNESS OR CONNECTOR 

    Result:  OK

    OK 

    See step  9

  9. INSPECT FUSE (AM2) 
    1. Remove the AM2 fuse from the passenger side junction block.
    2. Check the resistance of the fuse.

      Standard resistance

      Tester Connection Condition Specified Condition
      AM2 fuse Always Below 1 Ω

    Result:  NG

    NG 

    REPLACE FUSE (AM2) 

    Result:  OK

    OK 

    See step  10

  10. CHECK HARNESS AND CONNECTOR (MAIN BODY ECU - BATTERY AND BODY GROUND) 
    GTY684156Courtesy of © TOYOTA, LICENSE AGREEMENT TMS1002
    1. Disconnect the L13, L12 and DA main body ECU connectors.
    2. Measure the voltage and resistance according to the value(s) in the table below.

      Standard voltage

      Tester Connection Condition Specified Condition
      L13-6 (AM1) - Body ground Always 11 to 14 V
      L12-1 (AM2) - Body ground Always 11 to 14 V

      Standard resistance

      Tester Connection Condition Specified Condition
      DA-40 - Body ground Always Below 1 Ω

    Result:  OK

    OK 

    REPLACE MAIN BODY ECU 

    Result:  NG

    NG 

    REPAIR OR REPLACE HARNESS OR CONNECTOR