LEMON Manuals: Even more car manuals for everyone: 1960-2025
Home >> Lexus >> 2016 >> LS 460 Base, RWD >> Repair and Diagnosis (Single Page) >> Accessories & Equipment >> Anti-Theft Systems >> Smart Access System (Keyless Start) - Diagnostics - Introduction >> Smart Access System With Push-Button Start >> System Diagram [09/2015 - ] >> System Diagram [09/2015 - ]
April 5, 2026: LEMON Manuals is launched! Read the announcement.

System Diagram [09/2015 - ]

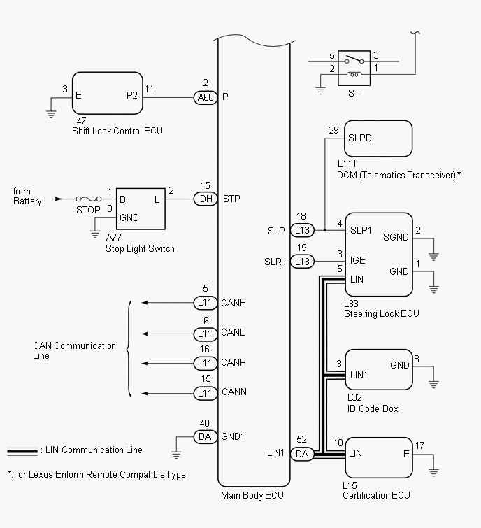
Fig 1: Smart Access System Diagram (1 Of 2)
GTY634739Courtesy of © TOYOTA, LICENSE AGREEMENT TMS1002
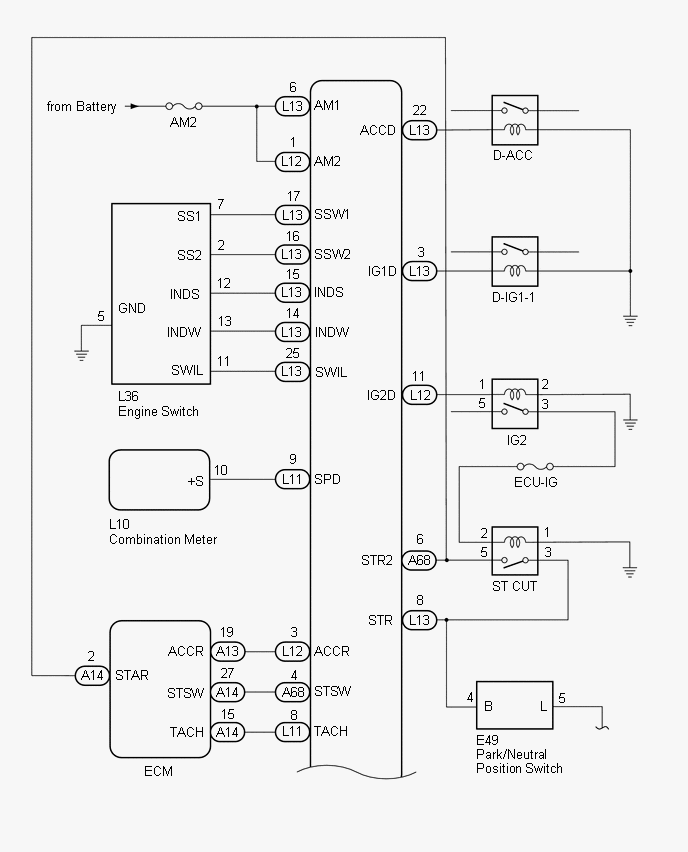
Fig 2: Smart Access System Diagram (2 Of 2)
GTY671340Courtesy of © TOYOTA, LICENSE AGREEMENT TMS1002
COMMUNICATION TABLE

Sender Receiver Signal Line
ECM Main body ECU Engine rotation signal CAN
Meter ECU Main body ECU Vehicle speed signal CAN
Steering lock ECU Main body ECU Steering lock/unlock signal LIN
Certification ECU Main body ECU LIN master signal LIN
Main body ECU ID code box ID required signal LIN
Main body ECU Certification ECU Key existence condition signal LIN