LEMON Manuals: Even more car manuals for everyone: 1960-2025
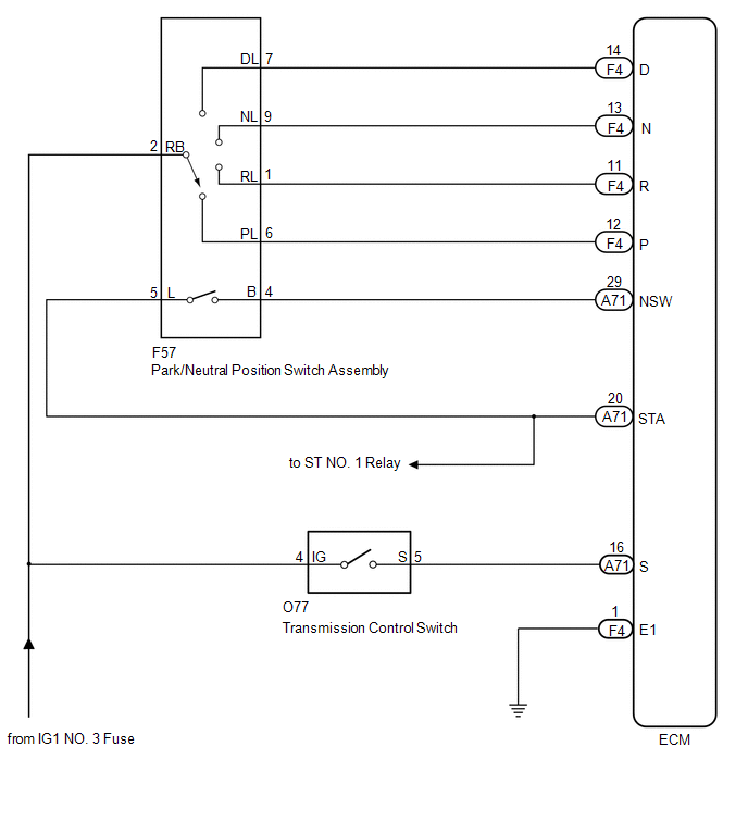
Home >> Lexus >> 2016 >> RC 350 Base, AWD >> Repair and Diagnosis (Single Page) >> Engine Performance >> System >> Engine Control System (2GR-FSE) - Diagnostic Codes (4 Of 5) >> SFI System >> DTC P0705: Transmission Range Sensor Circuit (PRNDL Input) [10/2015 - 11/2017] >> Wiring Diagram
April 5, 2026: LEMON Manuals is launched! Read the announcement.

DTC P0705: Transmission Range Sensor Circuit (PRNDL Input) [10/2015 - 11/2017]: Wiring Diagram

GTY624970Courtesy of © TOYOTA, LICENSE AGREEMENT TMS1002