LEMON Manuals: Even more car manuals for everyone: 1960-2025
Home >> Lexus >> 2017 >> GS 450h Base >> Repair and Diagnosis (Single Page) >> Suspension >> Wheels & Tire System >> Tire Pressure Warning System (Diagnostic Codes & Circuit Tests) >> Tire Pressure Warning System >> DTC C2121/21: No Signal from Transmitter ID1; DTC C2122/22: No Signal from Transmitter ID2; DTC C2123/23: No Signal from Transmitter ID3; DTC C2124/24: No Signal from Transmitter ID4; DTC C2181/81: Transmitter ID1 not Received (Test Mode DTC); DTC C2182/82: Transmitter ID2 not Received (Test Mode DTC); DTC C2183/83: Transmitter ID3 not Received (Test Mode DTC); DTC C2184/84: Transmitter ID4 not Received (Test Mode DTC) [10/2015 - ] >> Wiring Diagram
April 5, 2026: LEMON Manuals is launched! Read the announcement.

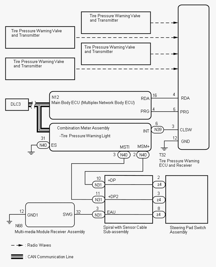
DTC C2121/21: No Signal from Transmitter ID1; DTC C2122/22: No Signal from Transmitter ID2; DTC C2123/23: No Signal from Transmitter ID3; DTC C2124/24: No Signal from Transmitter ID4; DTC C2181/81: Transmitter ID1 not Received (Test Mode DTC); DTC C2182/82: Transmitter ID2 not Received (Test Mode DTC); DTC C2183/83: Transmitter ID3 not Received (Test Mode DTC); DTC C2184/84: Transmitter ID4 not Received (Test Mode DTC) [10/2015 - ]: Wiring Diagram

Fig 1: Transmitter ID Wiring Diagram
GTY534775Courtesy of © TOYOTA, LICENSE AGREEMENT TMS1002