LEMON Manuals: Even more car manuals for everyone: 1960-2025
Home >> Lexus >> 2017 >> GX 460 Base >> Repair and Diagnosis >> Restraints >> Restraints Control Systems >> Pre-Collision System (Diagnostic Codes & Circuit Tests) >> Pre-Collision System >> DTC C1A4B: Stop Light Relay Circuit [08/2015 - 08/2019] >> Wiring Diagram
April 5, 2026: LEMON Manuals is launched! Read the announcement.

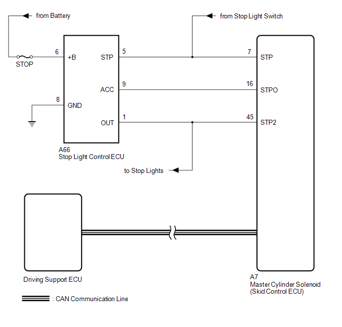
DTC C1A4B: Stop Light Relay Circuit [08/2015 - 08/2019]: Wiring Diagram

GTY462745Courtesy of © TOYOTA, LICENSE AGREEMENT TMS1002