LEMON Manuals: Even more car manuals for everyone: 1960-2025
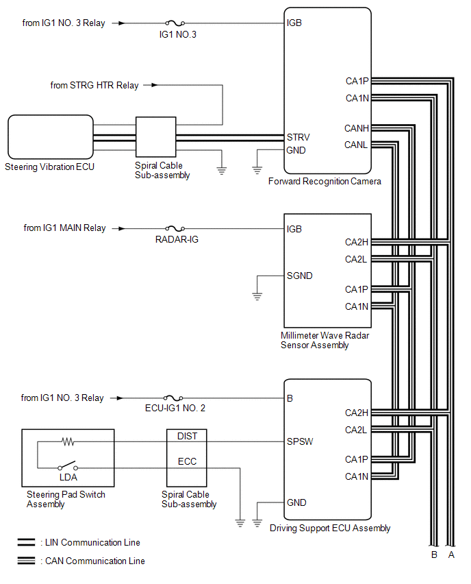
Home >> Lexus >> 2017 >> IS 350 Base, AWD >> Repair and Diagnosis (Single Page) >> Accessories & Equipment >> Drivers Assistance Systems - ADAS >> Lane Departure Alert System (W/ Steering Control) - Diagnostics - Introduction >> LANE DEPARTURE ALERT SYSTEM (w/ Steering Control) >> System Diagram [10/2016 - 09/2020] >> System Diagram [10/2016 - 09/2020]
April 5, 2026: LEMON Manuals is launched! Read the announcement.

System Diagram [10/2016 - 09/2020]

GTY787572Courtesy of © TOYOTA, LICENSE AGREEMENT TMS1002
GTY681157Courtesy of © TOYOTA, LICENSE AGREEMENT TMS1002
GTY616314Courtesy of © TOYOTA, LICENSE AGREEMENT TMS1002