LEMON Manuals: Even more car manuals for everyone: 1960-2025
Home >> Lexus >> 2017 >> IS 350 Base, AWD >> Repair and Diagnosis (Single Page) >> Electrical >> Fuses & Circuit Breakers >> OEM Junction Block, Ecu & Fuse/Relay Locations >> Junction Block Fuse, Relay & Circuit Identification >> Instrument Panel J/B Assembly >> Instrument Panel J/B Assembly Circuit
April 5, 2026: LEMON Manuals is launched! Read the announcement.

Instrument Panel J/B Assembly Circuit

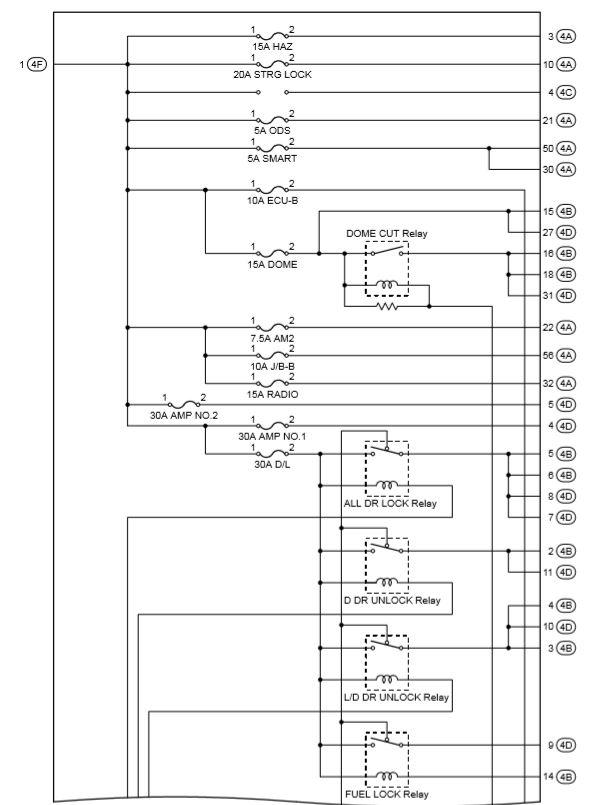
Fig 1: Instrument Panel J/B Assembly Circuit Diagram (1 Of 5) With Relays
G00584325Courtesy of © TOYOTA, LICENSE AGREEMENT TMS1002
INSTRUMENT PANEL J/B ASSEMBLY CIRCUIT RELAY IDENTIFICATION

RELAY DESCRIPTION
DOME CUT Relay
ALL DR LOCK Relay
D DR UNLOCK Relay
L/D DR UNLOCK Relay
FUEL LOCK Relay
Fig 2: Instrument Panel J/B Assembly Circuit Diagram (2 Of 5) With Relays
G00584326Courtesy of © TOYOTA, LICENSE AGREEMENT TMS1002
INSTRUMENT PANEL J/B ASSEMBLY CIRCUIT RELAY IDENTIFICATION

RELAY DESCRIPTION
P/OUTLET Relay
ACC Relay
IG1 NO. 1 Relay
IG1 NO. 2 Relay
IG NO. 3 Relay
BKUP LP Relay
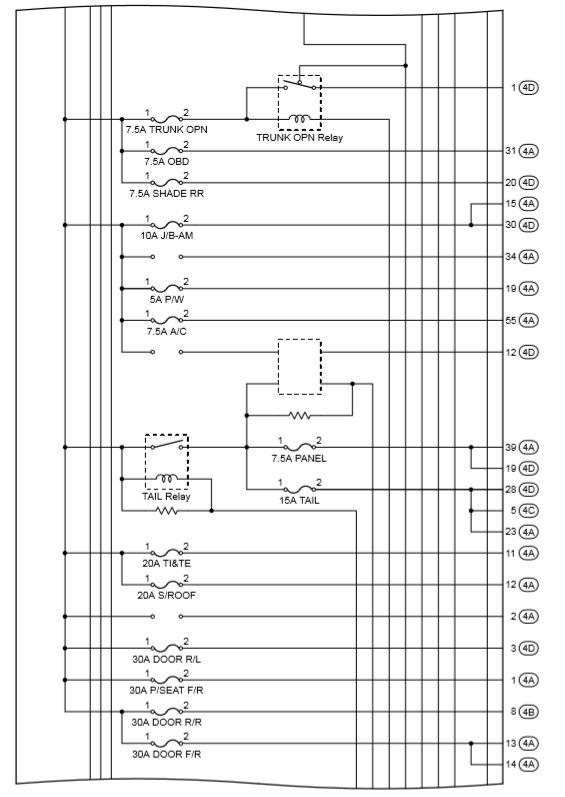
Fig 3: Instrument Panel J/B Assembly Circuit Diagram (3 Of 5) With Relays
G00584327Courtesy of © TOYOTA, LICENSE AGREEMENT TMS1002
INSTRUMENT PANEL J/B ASSEMBLY CIRCUIT RELAY IDENTIFICATION

RELAY DESCRIPTION
TRUNK OPN Relay
TAIL Relay
Fig 4: Instrument Panel J/B Assembly Circuit Diagram (4 Of 5)
G00584328Courtesy of © TOYOTA, LICENSE AGREEMENT TMS1002
Fig 5: Instrument Panel J/B Assembly Circuit Diagram (5 Of 5)
G00584329Courtesy of © TOYOTA, LICENSE AGREEMENT TMS1002