LEMON Manuals: Even more car manuals for everyone: 1960-2025
Home >> Lexus >> 2017 >> NX 200t Base, AWD >> Repair and Diagnosis (Single Page) >> Body & Frame >> Windows >> Power Window Control System - Diagnostic Codes & Symptom Tests >> Power Window Control System >> Driver Side Power Window does not Operate with Power Window Master Switch [10/2014 - ] >> Wiring Diagram
April 5, 2026: LEMON Manuals is launched! Read the announcement.

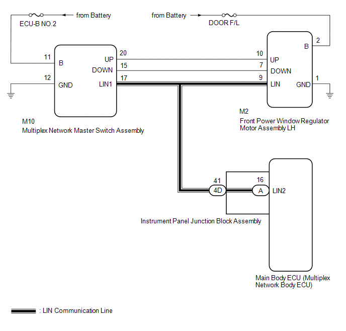
Driver Side Power Window does not Operate with Power Window Master Switch [10/2014 - ]: Wiring Diagram

GTY496847Courtesy of © TOYOTA, LICENSE AGREEMENT TMS1002