LEMON Manuals: Even more car manuals for everyone: 1960-2025
Home >> Lexus >> 2017 >> NX 200t Base, AWD >> Repair and Diagnosis (Single Page) >> Electrical >> Fuses & Circuit Breakers >> OEM Junction Block, Ecu & Fuse/Relay Locations >> Junction Block Fuse, Relay & Circuit Identification >> Instrument Panel Junction Block Assembly - Instrument Panel Reinforcement >> Instrument Panel Junction Block Assembly Inner Circuit
April 5, 2026: LEMON Manuals is launched! Read the announcement.

Instrument Panel Junction Block Assembly Inner Circuit

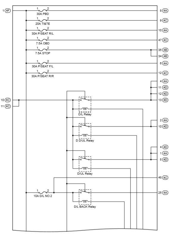
Fig 1: Instrument Panel J/B Assembly Circuit Diagram With Relays (1 Of 4)
G00585991Courtesy of © TOYOTA, LICENSE AGREEMENT TMS1002
INSTRUMENT PANEL J/B INNER CIRCUIT RELAY IDENTIFICATION

RELAY DESCRIPTION
D/L Relay
D D/UL Relay
D/UL Relay
D/L Back Relay
Fig 2: Instrument Panel J/B Assembly Circuit Diagram With Relays (2 Of 4)
G00585992Courtesy of © TOYOTA, LICENSE AGREEMENT TMS1002
INSTRUMENT PANEL J/B INNER CIRCUIT RELAY IDENTIFICATION

RELAY DESCRIPTION
P/OUTLET Relay
TAIL Relay
ACC Relay
IG1 NO. 1 Relay
IG1 NO. 2 Relay
IG1 NO. 3 Relay
Fig 3: Instrument Panel J/B Assembly Circuit Diagram With Relays (3 Of 4)
G00585993Courtesy of © TOYOTA, LICENSE AGREEMENT TMS1002
INSTRUMENT PANEL J/B INNER CIRCUIT RELAY IDENTIFICATION

RELAY DESCRIPTION
BK UP LP Relay
Fig 4: Instrument Panel J/B Assembly Circuit Diagram (4 Of 4)
G00585994Courtesy of © TOYOTA, LICENSE AGREEMENT TMS1002