LEMON Manuals: Even more car manuals for everyone: 1960-2025
Home >> Lexus >> 2017 >> NX 200t Base, AWD >> Repair and Diagnosis (Single Page) >> Electrical >> Fuses & Circuit Breakers >> OEM Junction Block, Ecu & Fuse/Relay Locations >> Relay Block Identification >> Engine Room Relay Block Assembly And Engine Room Junction Block Assembly No. 2 - Front Fender Apron RH >> Engine Room Relay Block Assembly and Engine Room Junction Block Assembly No. 2 Inner Circuit
April 5, 2026: LEMON Manuals is launched! Read the announcement.

Engine Room Relay Block Assembly and Engine Room Junction Block Assembly No. 2 Inner Circuit

Fig 1: Engine Room R/B And J/B Assembly No. 2 Circuit Diagram (1 Of 4)
G00585984Courtesy of © TOYOTA, LICENSE AGREEMENT TMS1002
Fig 2: Engine Room R/B And J/B Assembly No. 2 Circuit Diagram (2 Of 4)
G00585985Courtesy of © TOYOTA, LICENSE AGREEMENT TMS1002
ENGINE ROOM R/B AND J/B No. 2 INNER CIRCUIT RELAY IDENTIFICATION

RELAY DESCRIPTION
FOR FR Relay
FAN NO. 1 Relay
DRL LH Relay
PTC HTR NO. 3 Relay
IG1 Relay
H-LP CLN Relay
HORN Relay
Fig 3: Engine Room R/B And J/B Assembly No. 2 Circuit Diagram (3 Of 4)
G00585986Courtesy of © TOYOTA, LICENSE AGREEMENT TMS1002
ENGINE ROOM R/B AND J/B No. 2 INNER CIRCUIT RELAY IDENTIFICATION

RELAY DESCRIPTION
DRL RH Relay
S-HORN Relay
STRG HTR Relay
FAN NO. 2 Relay
H-LP RH Relay
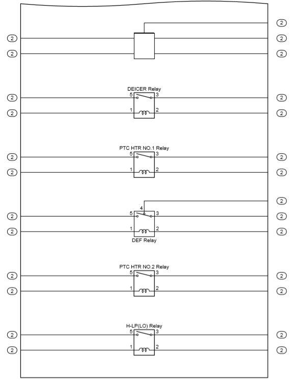
Fig 4: Engine Room R/B And J/B Assembly No. 2 Circuit Diagram (4 Of 4)
G00585987Courtesy of © TOYOTA, LICENSE AGREEMENT TMS1002
ENGINE ROOM R/B AND J/B No. 2 INNER CIRCUIT RELAY IDENTIFICATION

RELAY DESCRIPTION
DEICER Relay
PTC HTR NO. 1 Relay
DEF Relay
PTC HTR NO. 2 Relay
H-LP(LO) Relay