LEMON Manuals: Even more car manuals for everyone: 1960-2025
Home >> Lexus >> 2017 >> NX 200t Base, AWD >> Repair and Diagnosis (Single Page) >> Restraints >> Air Bag, SRS >> Occupant Classification System - Diagnostics - Introduction >> Occupant Classification System >> System Diagram [10/2014 - ] >> System Diagram [10/2014 - ]
April 5, 2026: LEMON Manuals is launched! Read the announcement.

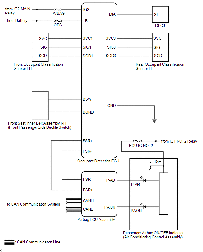
System Diagram [10/2014 - ]

Fig 1: Occupant Classification System Wiring Diagram
GTY515328Courtesy of © TOYOTA, LICENSE AGREEMENT TMS1002