LEMON Manuals: Even more car manuals for everyone: 1960-2025
Home >> Lexus >> 2017 >> NX 300h >> Repair and Diagnosis (Single Page) >> Electrical >> Fuses & Circuit Breakers >> OEM Junction Block, Ecu & Fuse/Relay Locations >> Junction Block Fuse, Relay & Circuit Identification >> Instrument Panel Relay Block Assembly - Instrument Panel Reinforcement >> Instrument Panel Relay Block Assembly Inner Circuit
April 5, 2026: LEMON Manuals is launched! Read the announcement.

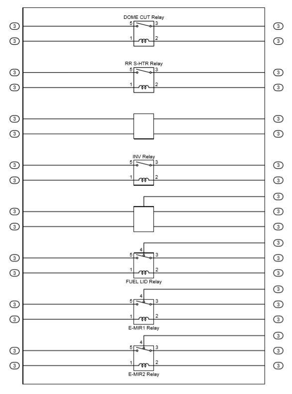
Instrument Panel Relay Block Assembly Inner Circuit

Fig 1: Instrument Panel R/B Assembly Circuit Diagram With Relays
G00586012Courtesy of © TOYOTA, LICENSE AGREEMENT TMS1002
INSTRUMENT PANEL R/B INNER CIRCUIT RELAY IDENTIFICATION

RELAY DESCRIPTION
FUEL LID Relay
RR S-HTR Relay
DOME CUT Relay
INV Relay
E-MIR1 Relay
E-MIR2 Relay