LEMON Manuals: Even more car manuals for everyone: 1960-2025
Home >> Lexus >> 2017 >> RX 350 Base, AWD >> Repair and Diagnosis (Single Page) >> Accessories & Equipment >> Anti-Theft Systems >> Smart Access System With Push-Button Start (For Start Function) - Diagnostic Codes & Symptom Tests >> SMART ACCESS SYSTEM WITH PUSH-BUTTON START (for Start Function) >> DTC B2282: Vehicle Speed Signal Malfunction; DTC B2283: Vehicle Speed Sensor Malfunction [09/2015 - ] >> Procedure
April 5, 2026: LEMON Manuals is launched! Read the announcement.

DTC B2282: Vehicle Speed Signal Malfunction; DTC B2283: Vehicle Speed Sensor Malfunction [09/2015 - ]: Procedure

  1. READ VALUE USING TECHSTREAM (VEHICLE SPEED METER) 
    1. Connect the Techstream to the DLC3.
    2. Turn the engine switch on (IG).
    3. Turn the Techstream on.
    4. Enter the following menus: Body Electrical / Combination Meter / Data List.
    5. Read the Data List according to the display on the Techstream.

      Body Electrical > Combination Meter > Data List 

      Tester Display Measurement Item Range Normal Condition Diagnostic Note
      Vehicle Speed Meter Vehicle speed Min.: 0, Max.: 255 Almost same as actual vehicle speed (Speedometer tester) -

      Body Electrical > Combination Meter > Data List 

      Tester Display
      Vehicle Speed Meter

      HINT: 

      Using a speedometer tester, check the actual vehicle speed and the vehicle speed displayed on the Techstream.

      OK

      Vehicle speed displayed on the Techstream is almost the same as the actual vehicle speed measured using a speedometer tester.

      Result

      Proceed to
      OK
      NG

    Result: 

    NG 

    GO TO METER / GAUGE SYSTEM (Speedometer Malfunction). Refer to  Speedometer Malfunction [09/2015 - 08/2019]  , or refer to  Speedometer Malfunction [08/2019 - ] 

    Result: 

    OK 

    See step  2

  2. READ VALUE USING TECHSTREAM (VEHICLE SPEED SIGNAL) 
    1. Enter the following menus: Body Electrical / Power Source Control / Data List.
    2. Read the Data List according to the display on the Techstream.

      Body Electrical > Power Source Control > Data List 

      Tester Display Measurement Item Range Normal Condition Diagnostic Note
      Vehicle Speed Signal Vehicle being driven or stopped Stop or Run Stop: Vehicle stopped
      Run: Vehicle being driven at 5 km/h (3 mph) or more
      -

      Body Electrical > Power Source Control > Data List 

      Tester Display
      Vehicle Speed Signal

      OK

      The Techstream display changes correctly in response to the vehicle condition.

      Result

      Proceed to
      OK
      NG

    Result: 

    OK 

    GO TO METER / GAUGE SYSTEM (HOW TO PROCEED WITH TROUBLESHOOTING). Refer to  HOW TO PROCEED WITH TROUBLESHOOTING [09/2015 - ] 

    Result: 

    NG 

    See step  3

  3. CHECK HARNESS AND CONNECTOR (POWER SOURCE) 

    See step  1

    Result

    Proceed to
    OK
    NG

    Result: 

    NG 

    REPAIR OR REPLACE HARNESS OR CONNECTOR IN CIRCUIT CONNECTED TO POWER SOURCE 

    Result: 

    OK 

    See step  4

  4. CHECK HARNESS AND CONNECTOR (GROUND) 

    See step  2

    Result

    Proceed to
    OK
    NG

    Result: 

    NG 

    REPAIR OR REPLACE HARNESS OR CONNECTOR 

    Result: 

    OK 

    See step  5

  5. CHECK HARNESS AND CONNECTOR (CERTIFICATION ECU (SMART KEY ECU ASSEMBLY) - COMBINATION METER ASSEMBLY) 
    1. Disconnect the J10 combination meter assembly connector.
    2. Measure the resistance according to the value(s) in the table below.

      Standard Resistance

      Tester Connection Condition Specified Condition
      J41-19 (SPD) - J10-19 (+S) Always Below 1 Ω
      J41-19 (SPD) or J10-19 (+S) - Body ground Always 10 kΩ or higher

      Result

      Proceed to
      OK
      NG

    Result: 

    NG 

    REPAIR OR REPLACE HARNESS OR CONNECTOR 

    Result: 

    OK 

    See step  6

  6. CHECK CERTIFICATION ECU (SMART KEY ECU ASSEMBLY) 
    1. Reconnect the J41 certification ECU (smart key ECU assembly) connector.
    2. Reconnect the J10 combination meter assembly connector.
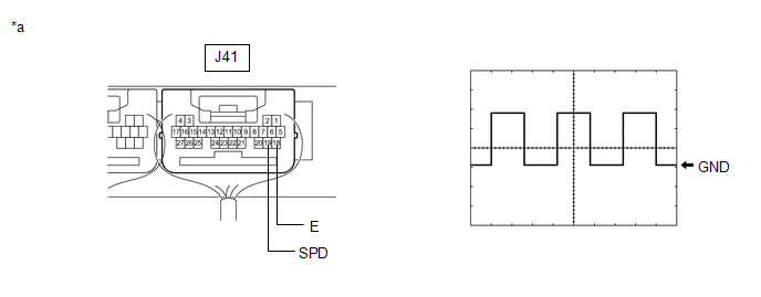
    3. Using an oscilloscope, check the waveform.
      GTY649361Courtesy of © TOYOTA, LICENSE AGREEMENT TMS1002
      *a Component with harness connected
      (Certification ECU (Smart Key ECU Assembly))
      - -
      Tester Connection Condition Tool Setting Specified Condition
      J41-19 (SPD) - J41-18 (E) Engine switch on (IG), vehicle being driven at approx. 5 km/h (3 mph) 5 V/DIV., 20 ms./DIV. Pulse generation

      HINT: 

      The wavelength becomes shorter as the vehicle speed increases.

      Result

      Proceed to
      OK
      NG

    Result: 

    OK 

    REPLACE CERTIFICATION ECU (SMART KEY ECU ASSEMBLY). Refer to  REMOVAL [09/2015 - 08/2016]  , or refer to  REMOVAL [08/2016 - 08/2019]  , or refer to  REMOVAL [08/2019 - ] 

    Result: 

    NG 

    GO TO METER / GAUGE SYSTEM (Speed Signal Circuit). Refer to  Speed Signal Circuit [09/2015 - 08/2019]  , or refer to  Speed Signal Circuit [08/2019 - ]