LEMON Manuals: Even more car manuals for everyone: 1960-2025
Home >> Lexus >> 2017 >> RX 350 Base, AWD >> Repair and Diagnosis (Single Page) >> Accessories & Equipment >> Infotainment >> Navigation System - Diagnostics - Circuit Tests >> Navigation System >> Circuit Tests >> Steering Pad Switch Circuit [09/2015 - 08/2019] >> Wiring Diagram
April 5, 2026: LEMON Manuals is launched! Read the announcement.

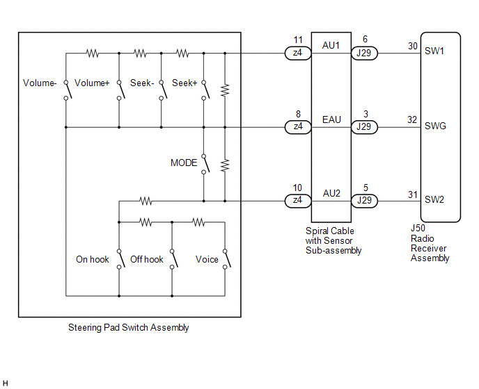
Steering Pad Switch Circuit [09/2015 - 08/2019]: Wiring Diagram

GTY672156Courtesy of © TOYOTA, LICENSE AGREEMENT TMS1002