LEMON Manuals: Even more car manuals for everyone: 1960-2025
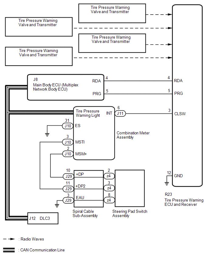
Home >> Lexus >> 2017 >> RX 350 Base, AWD >> Repair and Diagnosis (Single Page) >> Suspension >> Wheels & Tire System >> Tire Pressure Warning System - Diagnostic Codes & Circuit Tests >> Tire Pressure Warning System >> DTC C2121/21: No Signal from Transmitter ID1; DTC C2122/22: No Signal from Transmitter ID2; DTC C2123/23: No Signal from Transmitter ID3; DTC C2124/24: No Signal from Transmitter ID4; DTC C2181/81: Transmitter ID 1 not Received (Test Mode DTC); DTC C2182/82: Transmitter ID 2 not Received (Test Mode DTC); DTC C2183/83: Transmitter ID 3 not Received (Test Mode DTC); DTC C2184/84: Transmitter ID 4 not Received (Test Mode DTC) [09/2015 - 12/2017] >> Wiring Diagram
April 5, 2026: LEMON Manuals is launched! Read the announcement.

DTC C2121/21: No Signal from Transmitter ID1; DTC C2122/22: No Signal from Transmitter ID2; DTC C2123/23: No Signal from Transmitter ID3; DTC C2124/24: No Signal from Transmitter ID4; DTC C2181/81: Transmitter ID 1 not Received (Test Mode DTC); DTC C2182/82: Transmitter ID 2 not Received (Test Mode DTC); DTC C2183/83: Transmitter ID 3 not Received (Test Mode DTC); DTC C2184/84: Transmitter ID 4 not Received (Test Mode DTC) [09/2015 - 12/2017]: Wiring Diagram

GTY624891Courtesy of © TOYOTA, LICENSE AGREEMENT TMS1002