LEMON Manuals: Even more car manuals for everyone: 1960-2025
Home >> Lexus >> 2017 >> RX 450h Base >> Repair and Diagnosis (Single Page) >> Electrical >> Fuses & Circuit Breakers >> OEM Junction Block, Ecu & Fuse/Relay Locations >> Relay Block Identification >> Engine Room Relay Block No. 2 Front Fender Apron LH >> Engine Room Relay Block Assembly NO. 2 Inner Circuit
April 5, 2026: LEMON Manuals is launched! Read the announcement.

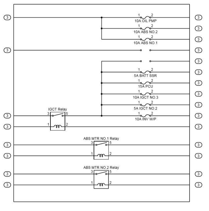
Engine Room Relay Block Assembly NO. 2 Inner Circuit

Fig 1: Engine Room Relay Block Assembly NO. 2 Inner Circuit Diagram
G00583537Courtesy of © TOYOTA, LICENSE AGREEMENT TMS1002