LEMON Manuals: Even more car manuals for everyone: 1960-2025
Home >> Lexus >> 2017 >> RX 450h Base >> Repair and Diagnosis (Single Page) >> Engine Performance >> System >> Engine Control System (Diagnostics - Introduction) (1 Of 5) >> SFI System >> System Diagram [10/2015 - 08/2019] >> System Diagram [10/2015 - 08/2019]
April 5, 2026: LEMON Manuals is launched! Read the announcement.

System Diagram [10/2015 - 08/2019]

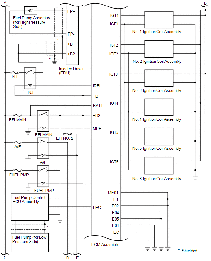
Fig 1: SFI System Wiring Diagram (1 Of 5) [10/2015 - 08/2019]
GTY634912Courtesy of © TOYOTA, LICENSE AGREEMENT TMS1002
Fig 2: SFI System Wiring Diagram (2 Of 5) [10/2015 - 08/2019]
GTY678780Courtesy of © TOYOTA, LICENSE AGREEMENT TMS1002
Fig 3: SFI System Wiring Diagram (3 Of 5) [10/2015 - 08/2019]
GTY679970Courtesy of © TOYOTA, LICENSE AGREEMENT TMS1002
Fig 4: SFI System Wiring Diagram (4 Of 5) [10/2015 - 08/2019]
GTY645163Courtesy of © TOYOTA, LICENSE AGREEMENT TMS1002
Fig 5: SFI System Wiring Diagram (5 Of 5) [10/2015 - 08/2019]
GTY667930Courtesy of © TOYOTA, LICENSE AGREEMENT TMS1002