LEMON Manuals: Even more car manuals for everyone: 1960-2025
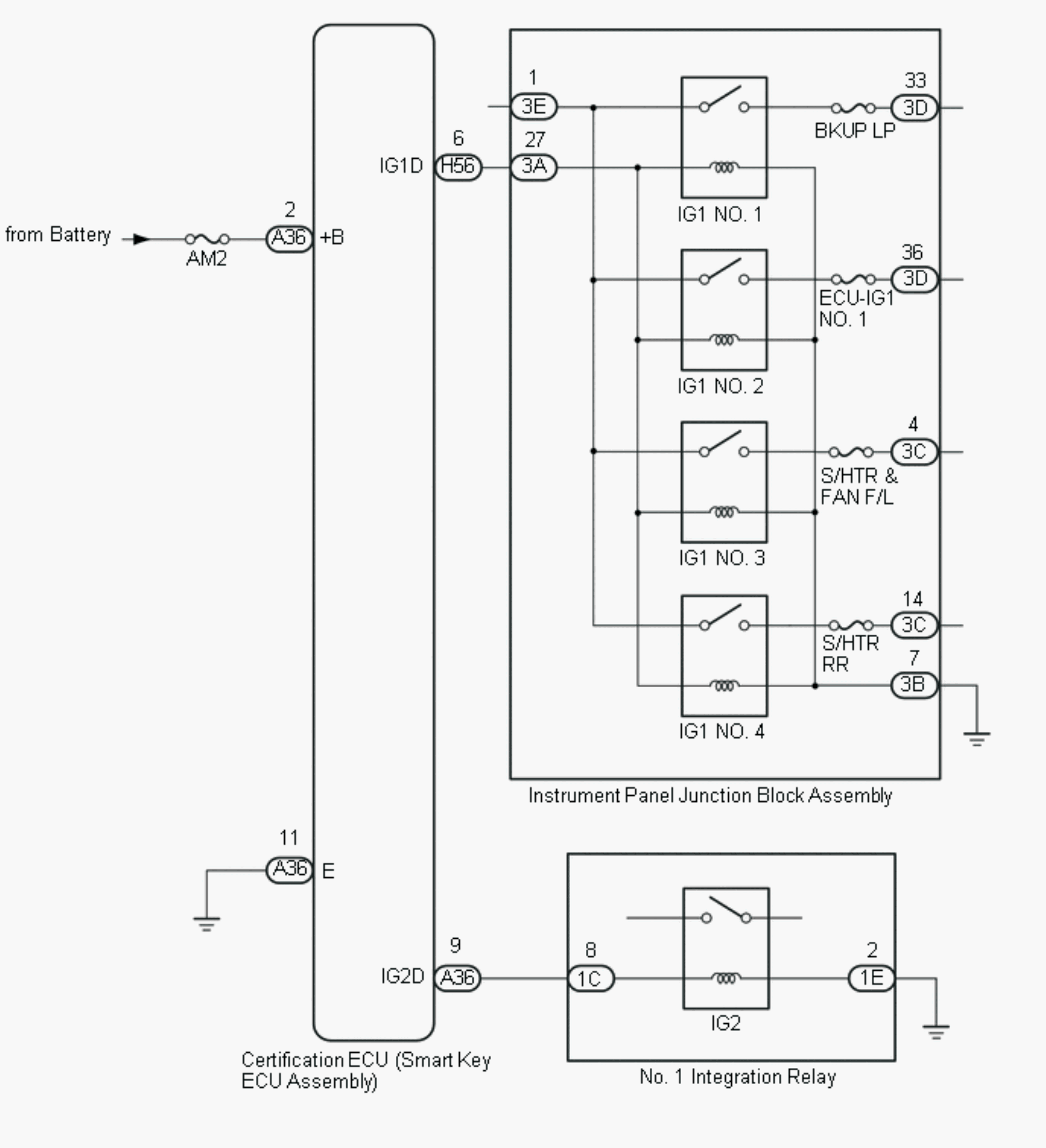
Home >> Lexus >> 2018 >> ES 350 >> Repair and Diagnosis (Single Page) >> Accessories & Equipment >> Anti-Theft Systems >> Smart Access System (For Start Function) (Diagnostic Codes & Symptom Tests) >> Smart Access System With Push-Button Start (For Start Function) >> DTC B2271: Ignition Hold Monitor Malfunction (07/2015 -) >> Wiring Diagram
April 5, 2026: LEMON Manuals is launched! Read the announcement.

DTC B2271: Ignition Hold Monitor Malfunction (07/2015 -): Wiring Diagram

Fig 1: Smart Access System (Start Function) Wiring Diagram
GTY648648Courtesy of © TOYOTA, LICENSE AGREEMENT TMS1002