LEMON Manuals: Even more car manuals for everyone: 1960-2025
Home >> Lexus >> 2018 >> ES 350 >> Repair and Diagnosis (Single Page) >> Electrical >> Fuses & Circuit Breakers >> OEM Junction Block, Ecu & Fuse/Relay Locations >> Junction Block Fuse, Relay & Circuit Identification >> Instrument Panel Junction Block Assembly - Instrument Panel Reinforcement >> Instrument Panel Junction Block Assembly Inner Circuit
April 5, 2026: LEMON Manuals is launched! Read the announcement.

Instrument Panel Junction Block Assembly Inner Circuit

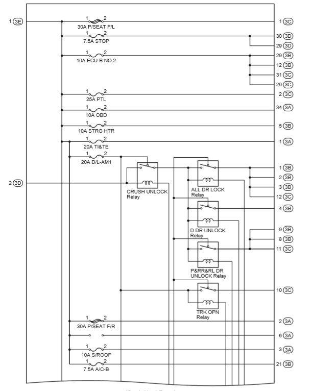
Fig 1: Instrument Panel J/B Assembly Inner Circuit Diagram (1 Of 5) With Relays
G00406126Courtesy of © TOYOTA, LICENSE AGREEMENT TMS1002
INSTRUMENT PANEL J/B INNER CIRCUIT RELAY IDENTIFICATION

RELAY DESCRIPTION
CRUSH Unlock Relay
All DR Lock Relay
D DR Unlock Relay
P & RR & RL DR Unlock Relay
TRK OPN Relay
Fig 2: Instrument Panel J/B Assembly Inner Circuit Diagram (2 Of 5) With Relays
G08948076Courtesy of © TOYOTA, LICENSE AGREEMENT TMS1002
INSTRUMENT PANEL J/B INNER CIRCUIT RELAY IDENTIFICATION

RELAY DESCRIPTION
Fuel OPN Relay
ACC No. 1 Relay
ACC No. 2 Relay
IG1 No. 1 Relay
Fig 3: Instrument Panel J/B Assembly Inner Circuit Diagram (3 Of 5) With Relays
G08948077Courtesy of © TOYOTA, LICENSE AGREEMENT TMS1002
INSTRUMENT PANEL J/B INNER CIRCUIT RELAY IDENTIFICATION

RELAY DESCRIPTION
IG1 No. 2 Relay
IG1 No. 3 Relay
IG1 No. 4 Relay
Tail Relay
Fig 4: Instrument Panel J/B Assembly Inner Circuit Diagram (4 Of 5)
G08948078Courtesy of © TOYOTA, LICENSE AGREEMENT TMS1002
Fig 5: Instrument Panel J/B Assembly Inner Circuit Diagram (5 Of 5)
G00406127Courtesy of © TOYOTA, LICENSE AGREEMENT TMS1002