LEMON Manuals: Even more car manuals for everyone: 1960-2025
Home >> Lexus >> 2018 >> ES 350 >> Repair and Diagnosis (Single Page) >> Electrical >> Fuses & Circuit Breakers >> OEM Junction Block, Ecu & Fuse/Relay Locations >> Relay Block Identification >> Engine Room Relay Block Assembly And Engine Room Junction Block Assembly - Front Fender Apron LH >> Engine Room Relay Block Assembly and Engine Room Junction Block Assembly Inner Circuit
April 5, 2026: LEMON Manuals is launched! Read the announcement.

Engine Room Relay Block Assembly and Engine Room Junction Block Assembly Inner Circuit

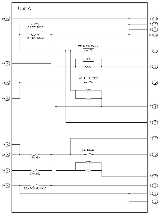
Fig 1: Engine Room R/B And J/B Assembly Inner Circuit Diagram (1 Of 4) With Relays
G08948066Courtesy of © TOYOTA, LICENSE AGREEMENT TMS1002
ENGINE ROOM R/B AND J/B INNER CIRCUIT RELAY IDENTIFICATION

RELAY DESCRIPTION
EFI Main Relay
A/F HTR Relay
IG2 Relay
Fig 2: Engine Room R/B And J/B Assembly Inner Circuit Diagram (2 Of 4)
G08948067Courtesy of © TOYOTA, LICENSE AGREEMENT TMS1002
Fig 3: Engine Room R/B And J/B Assembly Inner Circuit Diagram (3 Of 4) With Relays
G00406123Courtesy of © TOYOTA, LICENSE AGREEMENT TMS1002
ENGINE ROOM R/B AND J/B INNER CIRCUIT RELAY IDENTIFICATION

RELAY DESCRIPTION
Horn Relay
S-Horn Relay
Fig 4: Engine Room R/B And J/B Assembly Inner Circuit Diagram (4 Of 4) With Relays
G00406124Courtesy of © TOYOTA, LICENSE AGREEMENT TMS1002
ENGINE ROOM R/B AND J/B INNER CIRCUIT RELAY IDENTIFICATION

RELAY DESCRIPTION
Integration Relay (Engine Room Junction Block Assembly)