LEMON Manuals: Even more car manuals for everyone: 1960-2025
Home >> Lexus >> 2018 >> LC 500h >> Repair and Diagnosis >> Transmission >> Transmission Control Systems >> Electronic A/T Shift Lever System - Diagnostics - Introduction >> Electronic Shift Lever System >> System Diagram [01/2017 - 04/2020] >> System Diagram [01/2017 - 04/2020]
April 5, 2026: LEMON Manuals is launched! Read the announcement.

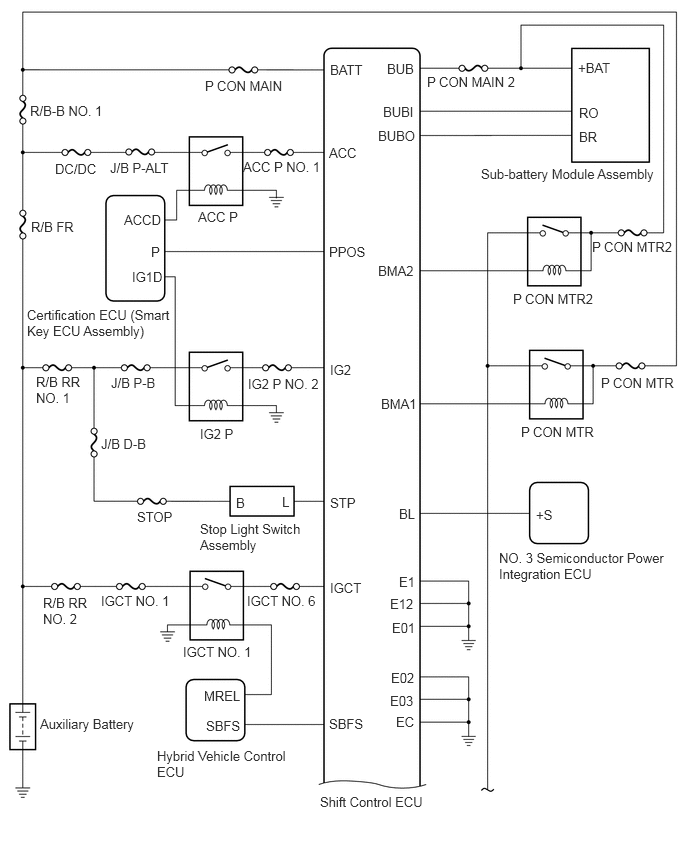
System Diagram [01/2017 - 04/2020]

Fig 1: Electronic Shift Lever System Diagram (1 Of 2)
GTY780054Courtesy of © TOYOTA, LICENSE AGREEMENT TMS1002
Fig 2: Electronic Shift Lever System Diagram (2 Of 2)
GTY776216Courtesy of © TOYOTA, LICENSE AGREEMENT TMS1002