LEMON Manuals: Even more car manuals for everyone: 1960-2025
Home >> Lexus >> 2018 >> NX 300 Base, AWD >> Repair and Diagnosis (Single Page) >> Restraints >> Restraints Control Systems >> Pre-Collision System - Diagnostics - Introduction >> Pre-Collision System >> System Diagram [10/2014 - 09/2017] >> System Diagram [10/2014 - 09/2017]
April 5, 2026: LEMON Manuals is launched! Read the announcement.

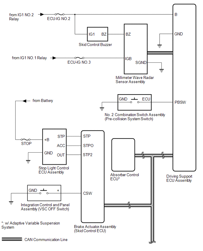
System Diagram [10/2014 - 09/2017]

Fig 1: Pre-Collision System Wiring Diagram (1 Of 2)
GTY517485Courtesy of © TOYOTA, LICENSE AGREEMENT TMS1002
Fig 2: Pre-Collision System Wiring Diagram (2 Of 2)
GTY520745Courtesy of © TOYOTA, LICENSE AGREEMENT TMS1002
COMMUNICATION TABLE

Sender Receiver Signal Line
Driving Support ECU Assembly Brake Actuator Assembly (Skid Control ECU)
  • Brake assist standby signal
  • Pre-collision brake operation signal
CAN
Driving Support ECU Assembly Combination Meter Assembly
  • Pre-collision system malfunction signal
  • Warning signal
  • Pre-collision system off and sensitivity display signal
CAN
Driving Support ECU Assembly Absorber Control ECU* Absorber control signal CAN
Driving Support ECU Assembly Millimeter Wave Radar Sensor Assembly Pre-collision alarm signal CAN
Brake Actuator Assembly (Skid Control ECU) Driving Support ECU Assembly Vehicle speed signal CAN
Airbag ECU Assembly (Yaw Rate Sensor) Driving Support ECU Assembly Vehicle yaw rate sensor signal CAN
Main Body ECU (Multiplex Network Body ECU) Driving Support ECU Assembly Vehicle specification information (destination, steering wheel position) CAN
Spiral with Sensor Cable Sub-assembly (Steering Angle Sensor) Driving Support ECU Assembly Steering angle sensor signal CAN
ECM Driving Support ECU Assembly
  • Shift position signal (D, R)
  • Engine type information signal
  • SFI system malfunction signal
CAN
Millimeter Wave Radar Sensor Assembly Driving Support ECU Assembly
  • Front obstacle recognition signal
  • Distance signal
  • Relative speed signal
CAN

*: w/ Adaptive Variable Suspension System