LEMON Manuals: Even more car manuals for everyone: 1960-2025
Home >> Lexus >> 2018 >> RX 350 Base, AWD >> Repair and Diagnosis >> Steering >> Power Steering >> Power Steering System - Diagnostics Introduction >> Power Steering System >> System Diagram [09/2015 - 08/2019] >> System Diagram [09/2015 - 08/2019]
April 5, 2026: LEMON Manuals is launched! Read the announcement.

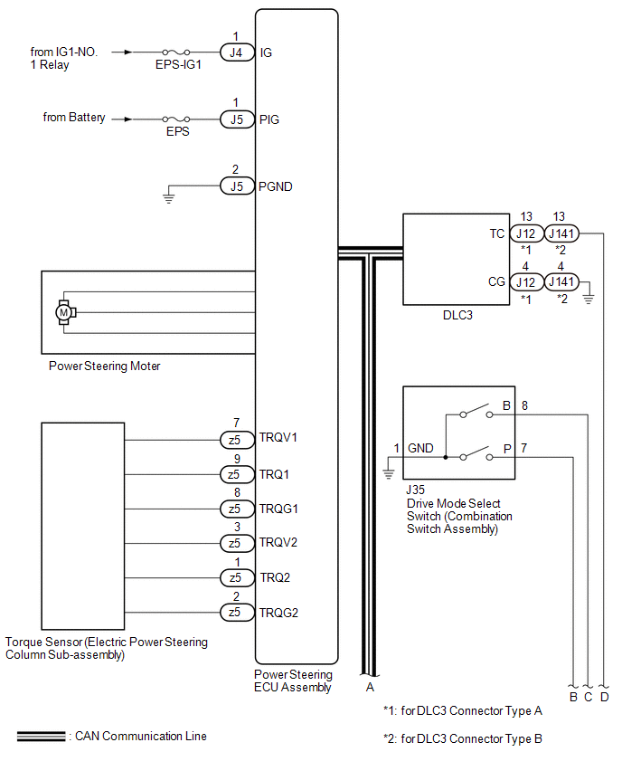
System Diagram [09/2015 - 08/2019]

GTY956458Courtesy of © TOYOTA, LICENSE AGREEMENT TMS1002
GTY617480Courtesy of © TOYOTA, LICENSE AGREEMENT TMS1002