LEMON Manuals: Even more car manuals for everyone: 1960-2025
Home >> Lexus >> 2018 >> RX 450h Base >> Repair and Diagnosis (Single Page) >> Electrical >> Fuses & Circuit Breakers >> OEM Junction Block, Ecu & Fuse/Relay Locations >> Relay Block Identification >> Engine Room Relay Block Assembly And Engine Room Junction Block Assembly: Front Fender Apron LH >> Engine Room Relay Block Assembly and Engine Room Junction Block Assembly Inner Circuit
April 5, 2026: LEMON Manuals is launched! Read the announcement.

Engine Room Relay Block Assembly and Engine Room Junction Block Assembly Inner Circuit

Fig 1: Engine Room Relay Block Assembly And J/B Assembly Circuit Diagram Unit A (1 Of 6)
G00584350Courtesy of © TOYOTA, LICENSE AGREEMENT TMS1002
Fig 2: Engine Room Relay Block Assembly And J/B Assembly Circuit Diagram Unit A/B (2 Of 6)
G00584351Courtesy of © TOYOTA, LICENSE AGREEMENT TMS1002
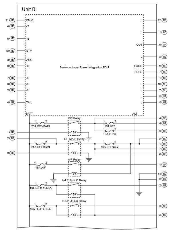
Fig 3: Engine Room Relay Block Assembly And J/B Assembly Circuit Diagram Unit B (3 Of 6)
G00584352Courtesy of © TOYOTA, LICENSE AGREEMENT TMS1002
ENGINE ROOM R/B AND J/B INNER CIRCUIT RELAY IDENTIFICATION (UNIT B)

RELAY DESCRIPTION
IG2 Relay
EFI-MAIN Relay
A/F Relay
H-LP RH-LO Relay
H-LP LH-LO Relay
Fig 4: Engine Room Relay Block Assembly And J/B Assembly Circuit Diagram Unit A/C (4 Of 6)
G00584353Courtesy of © TOYOTA, LICENSE AGREEMENT TMS1002
ENGINE ROOM R/B AND J/B INNER CIRCUIT RELAY IDENTIFICATION (UNIT A/C)

RELAY DESCRIPTION
FAN NO. 1 Relay
FAN NO. 2 Relay
H-LP LH Relay
H-LP RH Relay
Fig 5: Engine Room Relay Block Assembly And J/B Assembly Circuit Diagram Unit C (5 Of 6)
G00584354Courtesy of © TOYOTA, LICENSE AGREEMENT TMS1002
ENGINE ROOM R/B AND J/B INNER CIRCUIT RELAY IDENTIFICATION (UNIT C)

RELAY DESCRIPTION
H-LP CLN Relay
WIPER Relay
HORN Relay
S-HORN Relay
OIL-PMP Relay
BATT FAN Relay
IG1-MAIN Relay
Fig 6: Engine Room Relay Block Assembly And J/B Assembly Circuit Diagram Unit C (6 Of 6)
G09127591Courtesy of © TOYOTA, LICENSE AGREEMENT TMS1002
ENGINE ROOM R/B AND J/B INNER CIRCUIT RELAY IDENTIFICATION (UNIT C)

RELAY DESCRIPTION
INJ Relay
FUEL PMP Relay
PTC HTR NO. 1 Relay
PTC HTR NO. 2 Relay
PTC HTR NO. 3 Relay