LEMON Manuals: Even more car manuals for everyone: 1960-2025
Home >> Lexus >> 2019 >> GS 300 Base >> Repair and Diagnosis (Single Page) >> Electrical >> Fuses & Circuit Breakers >> OEM Junction Block, Ecu & Fuse/Relay Locations >> Relay Block Identification >> Engine Room Relay Block No. 2 Front Fender Apron LH >> Engine Room Relay Block Assembly and Engine Room Junction Block Assembly No. 2 Inner Circuit
April 5, 2026: LEMON Manuals is launched! Read the announcement.

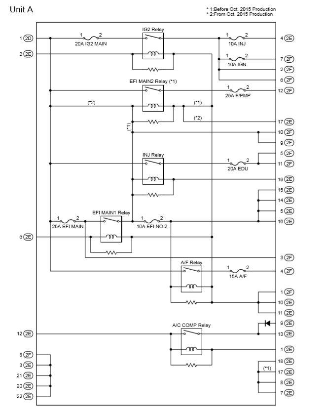
Engine Room Relay Block Assembly and Engine Room Junction Block Assembly No. 2 Inner Circuit

Fig 1: Engine Room R/B And J/B Assembly No. 2 Inner Circuit Diagram (1 Of 2)
G00584519Courtesy of © TOYOTA, LICENSE AGREEMENT TMS1002
ENGINE ROOM R/B AND J/B NO. 2 INNER CIRCUIT RELAY IDENTIFICATION

RELAY DESCRIPTION
IG2 RELAY
EFI MAIN2 Relay (*1)
INJ Relay
EFI MAIN1 Relay
A/F Relay
A/C Comp Relay
*1: Before Oct. 2015 Production
*2: From Oct. 2015 Production
Fig 2: Engine Room R/B And J/B Assembly No. 2 Inner Circuit Diagram (2 Of 2)
G00584520Courtesy of © TOYOTA, LICENSE AGREEMENT TMS1002