LEMON Manuals: Even more car manuals for everyone: 1960-2025
Home >> Lexus >> 2019 >> GX 460 Base >> Repair and Diagnosis (Single Page) >> Accessories & Equipment >> Anti-Theft Systems >> Smart Access System (Entry Function) (Diagnostic Codes & Symptom Tests) >> SMART ACCESS SYSTEM WITH PUSH-BUTTON START (for Entry Function) >> All Door Entry Lock/Unlock Functions and Wireless Functions do not Operate [08/2019 - ] >> Wiring Diagram
April 5, 2026: LEMON Manuals is launched! Read the announcement.

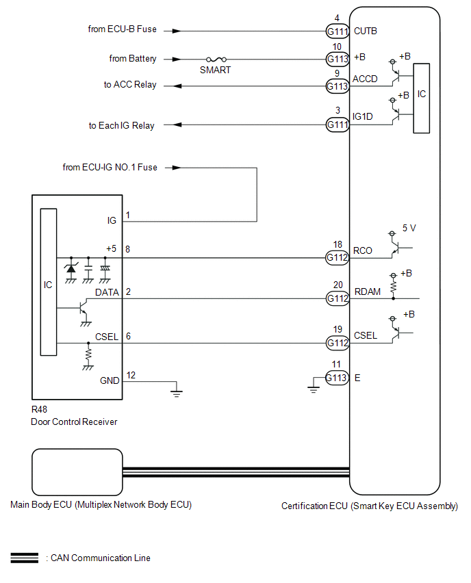
All Door Entry Lock/Unlock Functions and Wireless Functions do not Operate [08/2019 - ]: Wiring Diagram

GTY962341Courtesy of © TOYOTA, LICENSE AGREEMENT TMS1002