LEMON Manuals: Even more car manuals for everyone: 1960-2025
Home >> Lexus >> 2019 >> GX 460 Base >> Repair and Diagnosis (Single Page) >> Accessories & Equipment >> Infotainment >> Audio / Video System (With Navigation System) (Diagnostics - Introduction) >> AUDIO AND VISUAL SYSTEM (w/ Navigation System) >> System Diagram [08/2018 - 08/2019] >> System Diagram [08/2018 - 08/2019]
April 5, 2026: LEMON Manuals is launched! Read the announcement.

System Diagram [08/2018 - 08/2019]

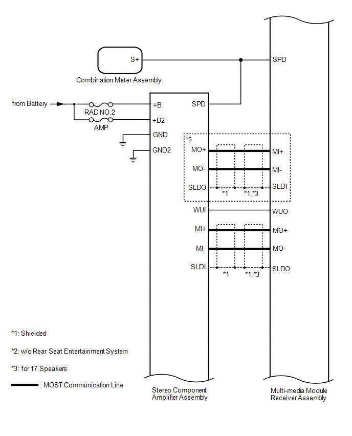
Fig 1: Audio And Visual System (W/ Navigation System) Wiring Diagram (1 Of 11) [08/2018 - 08/2019]
GTY838431Courtesy of © TOYOTA, LICENSE AGREEMENT TMS1002
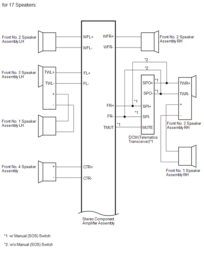
Fig 2: Audio And Visual System (W/ Navigation System) Wiring Diagram (2 Of 11) [08/2018 - 08/2019]
GTY780572Courtesy of © TOYOTA, LICENSE AGREEMENT TMS1002
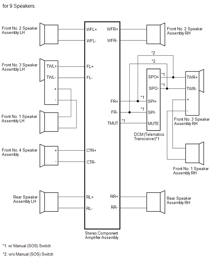
Fig 3: Audio And Visual System (W/ Navigation System) Diagram (3 Of 11)
GTY470715Courtesy of © TOYOTA, LICENSE AGREEMENT TMS1002
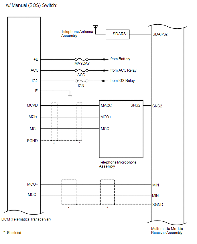
Fig 4: Audio And Visual System (W/ Navigation System) Wiring Diagram (4 Of 11) [08/2019 - 08/2021]
GTY795904Courtesy of © TOYOTA, LICENSE AGREEMENT TMS1002
Fig 5: Audio And Visual System (W/ Navigation System) Wiring Diagram (5 Of 11) [08/2018 - 08/2019]
GTY816502Courtesy of © TOYOTA, LICENSE AGREEMENT TMS1002
Fig 6: Audio And Visual System (W/ Navigation System) Wiring Diagram (6 Of 11) [08/2019 - 08/2021]
GTY801952Courtesy of © TOYOTA, LICENSE AGREEMENT TMS1002
Fig 7: Audio And Visual System (W/ Navigation System) Wiring Diagram (7 Of 11) [08/2019 - 08/2021]
GTY825177Courtesy of © TOYOTA, LICENSE AGREEMENT TMS1002
Fig 8: Audio And Visual System (W/ Navigation System) Wiring Diagram (8 Of 11) [08/2018 - 08/2019]
GTY826190Courtesy of © TOYOTA, LICENSE AGREEMENT TMS1002
Fig 9: Audio And Visual System (W/ Navigation System) Wiring Diagram (9 Of 11) [08/2019 - 08/2021]
GTY633534Courtesy of © TOYOTA, LICENSE AGREEMENT TMS1002
Fig 10: Audio And Visual System (W/ Navigation System) Wiring Diagram (10 Of 11) [08/2019 - 08/2021]
GTY779721Courtesy of © TOYOTA, LICENSE AGREEMENT TMS1002
Fig 11: Audio And Visual System (W/ Navigation System) Wiring Diagram (11 Of 11) [08/2019 - 08/2021]
GTY623986Courtesy of © TOYOTA, LICENSE AGREEMENT TMS1002