LEMON Manuals: Even more car manuals for everyone: 1960-2025
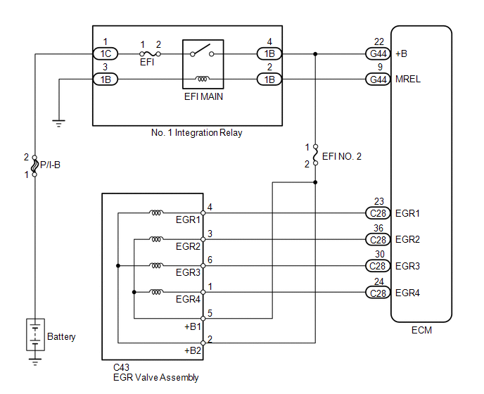
Home >> Lexus >> 2019 >> GX 460 Base >> Repair and Diagnosis >> Engine Performance >> System >> Engine Control System (Diagnostic Codes) (3 Of 7) >> SFI System >> DTC P0400: Exhaust Gas Recirculation Flow; DTC P0401: Exhaust Gas Recirculation Flow Insufficient Detected; DTC P0402: Exhaust Gas Recirculation Flow Excessive Detected [08/2022 - ] >> Wiring Diagram
April 5, 2026: LEMON Manuals is launched! Read the announcement.

DTC P0400: Exhaust Gas Recirculation Flow; DTC P0401: Exhaust Gas Recirculation Flow Insufficient Detected; DTC P0402: Exhaust Gas Recirculation Flow Excessive Detected [08/2022 - ]: Wiring Diagram

GTY459294Courtesy of © TOYOTA, LICENSE AGREEMENT TMS1002