LEMON Manuals: Even more car manuals for everyone: 1960-2025
Home >> Lexus >> 2019 >> LS 500 Base, AWD >> Repair and Diagnosis (Single Page) >> Restraints >> Air Bag, SRS >> Occupant Classification System - Diagnostic Codes & Symptom Tests >> Occupant Classification System >> DTC B1793-12: Load Sensor for Occupant Detection System Circuit Short to Battery [10/2023 - ] >> Procedure
April 5, 2026: LEMON Manuals is launched! Read the announcement.

DTC B1793-12: Load Sensor for Occupant Detection System Circuit Short to Battery [10/2023 - ]: Procedure

  1. CHECK CONNECTORS 

    Pre-procedure1

    1. Turn the engine switch off.
    2. Disconnect the cable from the negative (-) battery terminal, and wait for at least 60 seconds.

      Procedure1

    3. Check that the connectors are properly connected to the airbag ECU assembly and front seat adjuster assembly RH.

      Result

      Result  Proceed to
      Connectors are properly connected A
      Connectors are not properly connected B

      Post-procedure1

    4. None

    Result: 

    CONNECT CONNECTORS PROPERLY 

    Result: 

    See step  2

  2. CHECK CONNECTION OF CONNECTORS 

    Pre-procedure1

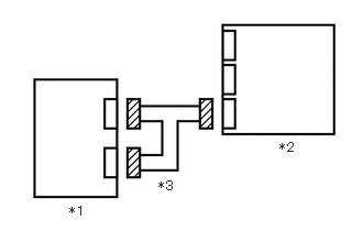
    1. Disconnect the airbag ECU assembly connector.
      GTY985316Courtesy of © TOYOTA, LICENSE AGREEMENT TMS1002
      *1 Front Seat Adjuster Assembly RH
      *2 Airbag ECU Assembly
      *3 Wire Harness
    2. Disconnect the front seat adjuster assembly RH connector.

      Procedure1

    3. Check that the connectors (on the airbag ECU assembly side and front seat adjuster assembly RH side) are not damaged.

      Result

      Result  Proceed to
      Connectors are not deformed or damaged A
      Connectors are deformed or damaged B

      Post-procedure1

    4. None

    Result: 

    REPAIR OR REPLACE HARNESS OR CONNECTOR 

    Result: 

    See step  3

  3. CHECK HARNESS AND CONNECTOR (AIRBAG ECU ASSEMBLY - FRONT SEAT ADJUSTER ASSEMBLY RH) 

    Pre-procedure1

    1. Connect the cable to the negative (-) battery terminal, and wait for at least 2 seconds.
      GTY1236378Courtesy of © TOYOTA, LICENSE AGREEMENT TMS1002
      *1 Front Seat Adjuster Assembly RH
      *2 Airbag ECU Assembly
      *3 Wire Harness
      *a Front view of wire harness connector
      (to Airbag ECU Assembly)
      *b Front view of wire harness connector
      (to Front Seat Adjuster Assembly RH (Front Occupant Classification Sensor LH))
      *c Front view of wire harness connector
      (to Front Seat Adjuster Assembly RH (Rear Occupant Classification Sensor LH))
    2. Turn the engine switch on (IG).

      Procedure1

    3. Measure the voltage according to the value(s) in the table below.

      Standard Voltage

      Tester Connection Switch Condition Specified Condition
      L64-24 (SVC) - Body ground Engine switch on (IG) Below 1 V
      Q43-1 - Body ground Engine switch on (IG) Below 1 V
      Q44-1 - Body ground Engine switch on (IG) Below 1 V

      Result

      Proceed to
      OK
      NG

      Post-procedure1

    4. None

    Result: 

    OK 

    REPLACE AIRBAG ECU ASSEMBLY. Refer to  REMOVAL [10/2023 - ] 

    Result: 

    NG 

    REPAIR OR REPLACE HARNESS OR CONNECTOR