LEMON Manuals: Even more car manuals for everyone: 1960-2025
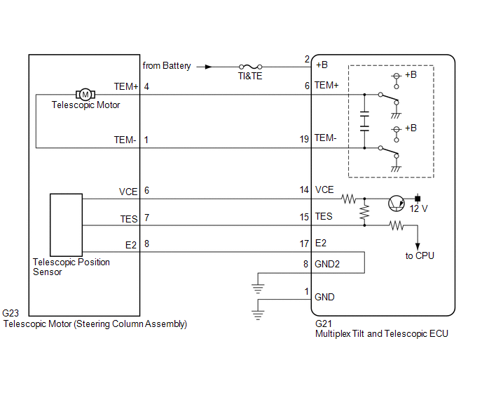
Home >> Lexus >> 2019 >> LS 500 Base, AWD >> Repair and Diagnosis (Single Page) >> Steering >> Steering Column >> Power Tilt & Power Telescopic Steering Column System - Diagnostic Codes & Circuit Tests >> Power Tilt And Power Telescopic Steering Column System >> DTC B2611-96: Telescopic Position Sensor or Telescopic Motor Circuit Component Internal Failure [12/2017 - ] >> Wiring Diagram
April 5, 2026: LEMON Manuals is launched! Read the announcement.

DTC B2611-96: Telescopic Position Sensor or Telescopic Motor Circuit Component Internal Failure [12/2017 - ]: Wiring Diagram

GTY797053Courtesy of © TOYOTA, LICENSE AGREEMENT TMS1002