LEMON Manuals: Even more car manuals for everyone: 1960-2025
Home >> Lexus >> 2019 >> NX 300h >> Repair and Diagnosis (Single Page) >> Accessories & Equipment >> Drivers Assistance Systems - ADAS >> Lane Departure Alert System (W/ Steering Control) - Diagnostics - Introduction >> LANE DEPARTURE ALERT SYSTEM (w/ Steering Control) >> System Diagram [09/2016 - 09/2017] >> System Diagram [09/2016 - 09/2017]
April 5, 2026: LEMON Manuals is launched! Read the announcement.

System Diagram [09/2016 - 09/2017]

  1. w/o Dynamic Radar Cruise Control System 
    Fig 1: Lane Departure Alert System (W/O Steering Control & w/o Dynamic Radar Cruise Control System) Wiring Diagram (1 Of 2)
    GTY959187Courtesy of © TOYOTA, LICENSE AGREEMENT TMS1002
    Fig 2: Lane Departure Alert System (W/O Steering Control & w/o Dynamic Radar Cruise Control System) Wiring Diagram (2 Of 2)
    GTY648831Courtesy of © TOYOTA, LICENSE AGREEMENT TMS1002
    COMMUNICATION TABLE

    Sender ECU Receiver ECU Signal Line
    Lane Departure Warning Camera Combination Meter Assembly
    • Lane departure alert indicator light signal
    • Lane marker signal
    • Lane departure warning camera malfunction signal
    • Multi-information display signal
    • Steering indicator light signal
    • Lane departure alert buzzer signal
    CAN
    Lane Departure Warning Camera Power Steering ECU Assembly Target steering torque signal CAN
    Hybrid Vehicle Control ECU Lane Departure Warning Camera Shift position R signal CAN
    Brake Booster with Master Cylinder Assembly Lane Departure Warning Camera
    • Wheel speed signal
    • Wheel speed sensor malfunction signal
    • Wheel speed sensor voltage signal
    • Airbag ECU assembly zero point signal
    • Airbag ECU assembly zero point error signal
    CAN
    Combination Meter Assembly Lane Departure Warning Camera
    • Turn signal light switch signal
    • Vehicle speed tolerance signal
    CAN
    Airbag ECU Assembly Lane Departure Warning Camera
    • Yaw rate sensor signal
    • Yaw rate sensor voltage signal
    • Yaw rate sensor malfunction signal
    CAN
    Main Body ECU (Multiplex Network Body ECU) Lane Departure Warning Camera
    • Country specification information signal
    • Steering wheel information signal
    • Power steering malfunction signal
    CAN
    Steering Pad Switch Assembly (Lane Departure Alert Main Switch) Lane Departure Warning Camera Lane departure alert main switch operation signal Direct Line
    Power Steering ECU Assembly Lane Departure Warning Camera
    • EPS torque sensor value
    • EPS pinion angle
    • Power steering malfunction signal
    CAN
    ECM Lane Departure Warning Camera Accelerator opening angle percentage signal CAN
  2. w/ Dynamic Radar Cruise Control System 
    Fig 3: Lane Departure Alert System (W/Steering Control & W/Dynamic Radar Cruise Control System) Wiring Diagram (1 Of 2)
    GTY959169Courtesy of © TOYOTA, LICENSE AGREEMENT TMS1002
    Fig 4: Lane Departure Alert System (W/Steering Control & W/Dynamic Radar Cruise Control System) Wiring Diagram (2 Of 2)
    GTY628965Courtesy of © TOYOTA, LICENSE AGREEMENT TMS1002
    COMMUNICATION TABLE

    Sender ECU Receiver ECU Signal Line
    Lane Departure Warning Camera Combination Meter Assembly
    • Lane departure alert indicator light signal
    • Lane marker signal
    • Lane departure warning camera malfunction signal
    • Multi-information display signal
    • Steering indicator light signal
    • Lane departure alert buzzer signal
    CAN
    Lane Departure Warning Camera Power Steering ECU Assembly Target steering torque signal CAN
    Hybrid Vehicle Control ECU Lane Departure Warning Camera Shift position R signal CAN
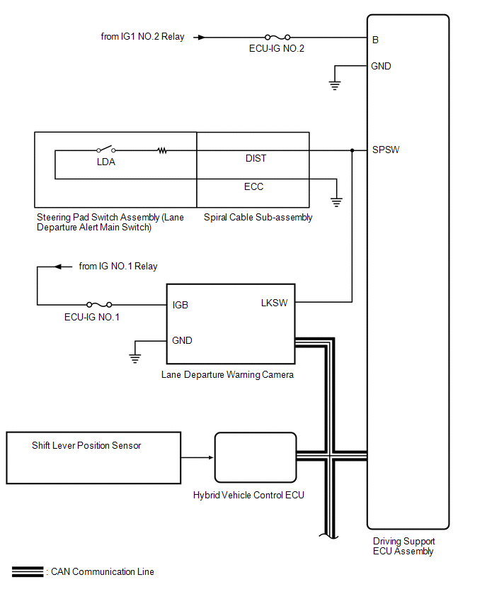
    Driving Support ECU Assembly Lane Departure Warning Camera Lane departure alert main switch operation signal CAN
    Brake Booster with Master Cylinder Assembly Lane Departure Warning Camera
    • Wheel speed signal
    • Wheel speed sensor malfunction signal
    • Wheel speed sensor voltage signal
    • Airbag ECU assembly zero point signal
    • Airbag ECU assembly zero point error signal
    CAN
    Combination Meter Assembly Lane Departure Warning Camera
    • Turn signal light switch signal
    • Vehicle speed tolerance signal
    CAN
    Airbag ECU Assembly Lane Departure Warning Camera
    • Yaw rate sensor signal
    • Yaw rate sensor voltage signal
    • Yaw rate sensor malfunction signal
    CAN
    Main Body ECU (Multiplex Network Body ECU) Lane Departure Warning Camera
    • Country specification information signal
    • Steering wheel information signal
    CAN
    Power Steering ECU Assembly Lane Departure Warning Camera
    • EPS torque sensor value
    • EPS pinion angle
    • Power steering malfunction signal
    CAN
    ECM Lane Departure Warning Camera Accelerator opening angle percentage signal CAN