LEMON Manuals: Even more car manuals for everyone: 1960-2025
Home >> Lexus >> 2019 >> RC 350 Base, AWD >> Repair and Diagnosis (Single Page) >> Accessories & Equipment >> Anti-Theft Systems >> Smart Access System (For Start) - Symptom Tests >> SMART ACCESS SYSTEM WITH PUSH-BUTTON START (for Start Function) >> Power Source Mode does not Change to ON (IG and ACC) [10/2015 - 11/2017] >> Wiring Diagram
April 5, 2026: LEMON Manuals is launched! Read the announcement.

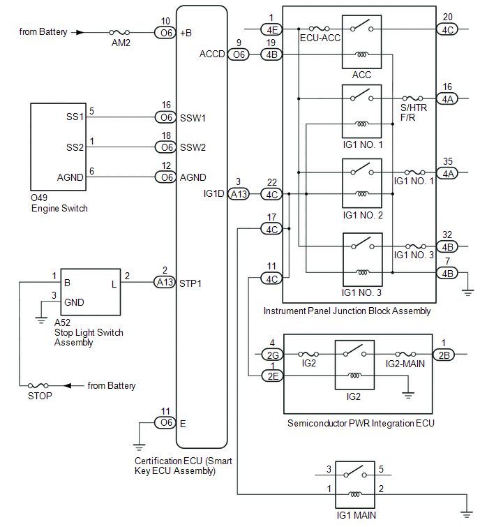
Power Source Mode does not Change to ON (IG and ACC) [10/2015 - 11/2017]: Wiring Diagram

GTY516694Courtesy of © TOYOTA, LICENSE AGREEMENT TMS1002