LEMON Manuals: Even more car manuals for everyone: 1960-2025
Home >> Lexus >> 2019 >> RC 350 Base, AWD >> Repair and Diagnosis (Single Page) >> Steering >> Steering Column >> Steering Lock System - Diagnostic Codes & Symptom Tests >> Steering Lock System >> Unable to Unlock Steering Wheel (Engine cannot Start) [09/2014 - 10/2022] >> Wiring Diagram
April 5, 2026: LEMON Manuals is launched! Read the announcement.

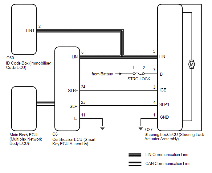
Unable to Unlock Steering Wheel (Engine cannot Start) [09/2014 - 10/2022]: Wiring Diagram

GTY516059Courtesy of © TOYOTA, LICENSE AGREEMENT TMS1002