LEMON Manuals: Even more car manuals for everyone: 1960-2025
Home >> Lexus >> 2019 >> RX 450h Base >> Repair and Diagnosis (Single Page) >> Accessories & Equipment >> Exterior Lights >> Lighting System (W/ Automatic Headlight Beam Level Control System) (Diagnostics - Introduction) (1 Of 2) >> Lighting System (W/ Automatic Headlight Beam Level Control System) >> System Diagram [08/2019 - 07/2020] >> System Diagram [08/2019 - 07/2020]
April 5, 2026: LEMON Manuals is launched! Read the announcement.

System Diagram [08/2019 - 07/2020]

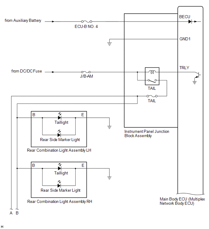
Fig 1: Lighting System Wiring Diagram (w/ Automatic Headlight Beam Level Control System) Wiring Diagram [08/2019 - 07/2020] (1 Of 14)
GTY962527Courtesy of © TOYOTA, LICENSE AGREEMENT TMS1002
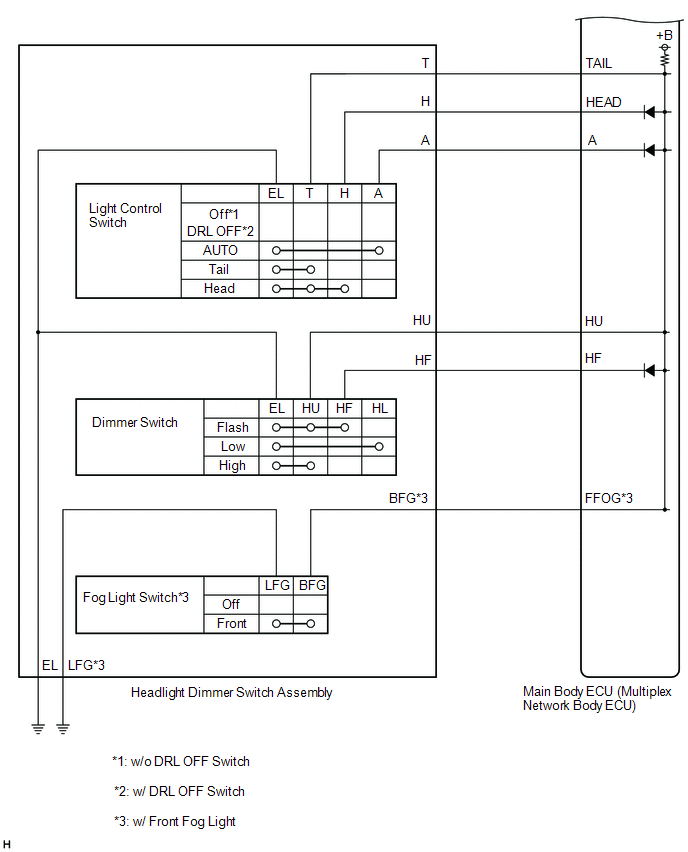
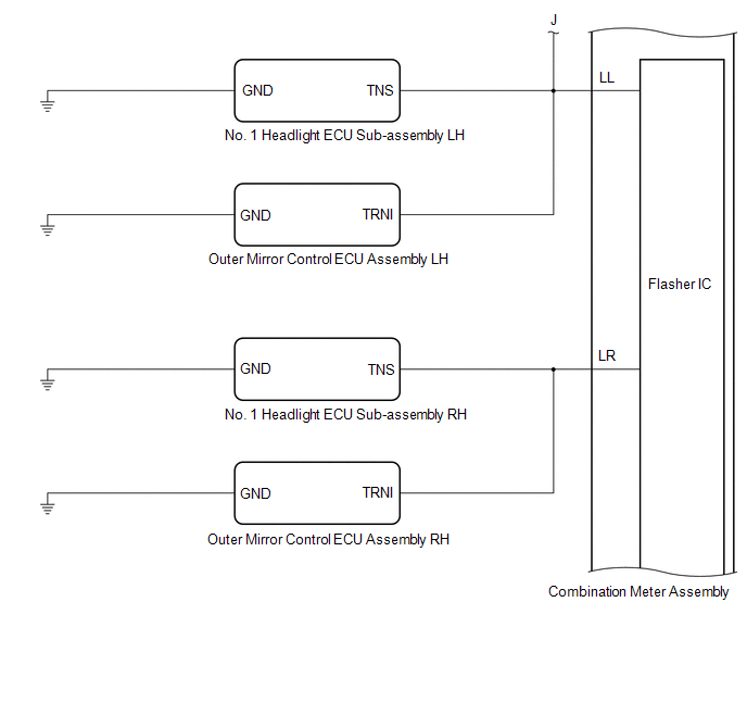
Fig 2: Lighting System Wiring Diagram (w/ Automatic Headlight Beam Level Control System) Wiring Diagram [08/2019 - 07/2020] (2 Of 14)
GTY960599Courtesy of © TOYOTA, LICENSE AGREEMENT TMS1002
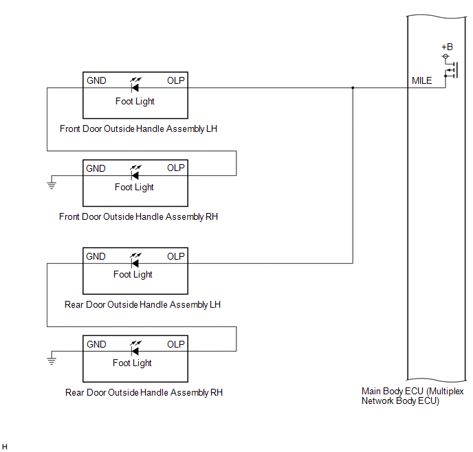
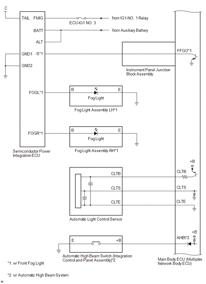
Fig 3: Lighting System Wiring Diagram (w/ Automatic Headlight Beam Level Control System) Wiring Diagram [08/2019 - 07/2020] (3 Of 14)
GTY961683Courtesy of © TOYOTA, LICENSE AGREEMENT TMS1002
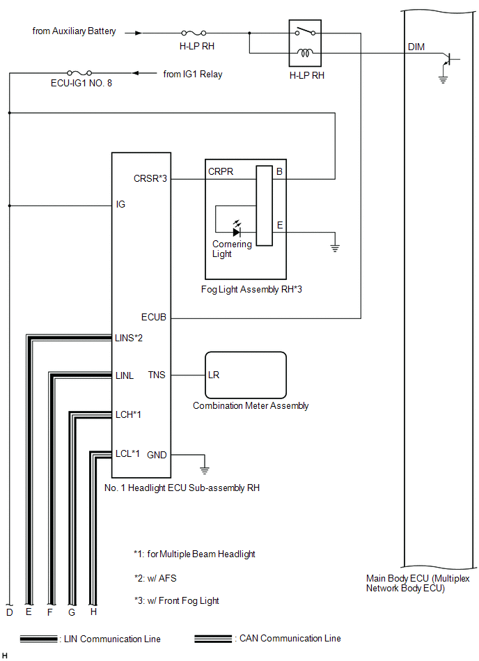
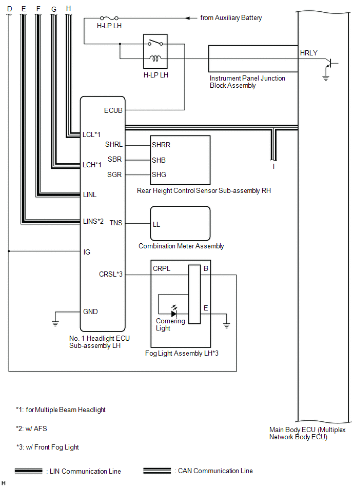
Fig 4: Lighting System Wiring Diagram (w/ Automatic Headlight Beam Level Control System) Wiring Diagram [08/2019 - 07/2020] (4 Of 14)
GTY961179Courtesy of © TOYOTA, LICENSE AGREEMENT TMS1002
Fig 5: Lighting System Wiring Diagram (w/ Automatic Headlight Beam Level Control System) Wiring Diagram [08/2019 - 07/2020] (5 Of 14)
GTY960890Courtesy of © TOYOTA, LICENSE AGREEMENT TMS1002
Fig 6: Lighting System Wiring Diagram (w/ Automatic Headlight Beam Level Control System) Wiring Diagram [08/2019 - 07/2020] (6 Of 14)
GTY961251Courtesy of © TOYOTA, LICENSE AGREEMENT TMS1002
Fig 7: Lighting System Wiring Diagram (w/ Automatic Headlight Beam Level Control System) Wiring Diagram [08/2019 - 07/2020] (7 Of 14)
GTY961111Courtesy of © TOYOTA, LICENSE AGREEMENT TMS1002
Fig 8: Lighting System Wiring Diagram (w/ Automatic Headlight Beam Level Control System) Wiring Diagram [08/2019 - 07/2020] (8 Of 14
GTY960859Courtesy of © TOYOTA, LICENSE AGREEMENT TMS1002
Fig 9: Lighting System Wiring Diagram (w/ Automatic Headlight Beam Level Control System) Wiring Diagram [08/2019 - 07/2020] (9 Of 14)
GTY961020Courtesy of © TOYOTA, LICENSE AGREEMENT TMS1002
Fig 10: Lighting System Wiring Diagram (w/ Automatic Headlight Beam Level Control System) Wiring Diagram [08/2019 - 07/2020] (10 Of 14)
GTY962712Courtesy of © TOYOTA, LICENSE AGREEMENT TMS1002
Fig 11: Lighting System Wiring Diagram (w/ Automatic Headlight Beam Level Control System) Wiring Diagram [08/2019 - 07/2020] (11 Of 14)
GTY962115Courtesy of © TOYOTA, LICENSE AGREEMENT TMS1002
Fig 12: Lighting System Wiring Diagram (w/ Automatic Headlight Beam Level Control System) Wiring Diagram [08/2019 - 07/2020] (12 Of 14)
GTY961190Courtesy of © TOYOTA, LICENSE AGREEMENT TMS1002
Fig 13: Lighting System Wiring Diagram (w/ Automatic Headlight Beam Level Control System) Wiring Diagram [08/2019 - 07/2020] (13 Of 14)
GTY960462Courtesy of © TOYOTA, LICENSE AGREEMENT TMS1002
Fig 14: Lighting System Wiring Diagram (w/ Automatic Headlight Beam Level Control System) Wiring Diagram [08/2019 - 07/2020] (14 Of 14)
GTY962658Courtesy of © TOYOTA, LICENSE AGREEMENT TMS1002
  1. HEADLIGHT ASSEMBLY CIRCUIT (for Multiple Beam Headlight) 
    Fig 15: Lighting System (w/ Automatic Headlight Beam Level Control System) (for Multiple Beam Headlight) Wiring Diagram [08/2019 - 07/2020] (1 Of 2)
    GTY962076Courtesy of © TOYOTA, LICENSE AGREEMENT TMS1002
    Fig 16: Lighting System (w/ Automatic Headlight Beam Level Control System) (for Multiple Beam Headlight) Wiring Diagram [08/2019 - 07/2020] (2 Of 2)
    GTY962702Courtesy of © TOYOTA, LICENSE AGREEMENT TMS1002
  2. HEADLIGHT ASSEMBLY CIRCUIT (for Single Beam Headlight) 
    Fig 17: Lighting System (w/ Automatic Headlight Beam Level Control System) (for Single Beam Headlight) Wiring Diagram [08/2019 - 07/2020]
    GTY962262Courtesy of © TOYOTA, LICENSE AGREEMENT TMS1002